特性
- 标准245型引脚分配
- 输出电压转换跟踪VCC
- 支持所有数据I/O端口上的混合模式信号操作:
- 3.3V VCC 时5V输入转换为3.3V输出电平
- 2.5V VCC 时5V/3.3V输入转换为2.5V输出电平
- 5V耐受I/O,设备上电或断电
- 双向数据流,传播延迟接近于零
- 低导通电阻 (RON) 特性(RON = 5Ω,典型值)
- 低输入、输出电容可最大限度地减少负载(CIO(OFF) = 5pF,典型值)
- 数据和控制输入提供下冲钳位二极管
- 低功耗(ICC = 40μA,最大值)
- VCC 工作范围:2.3V至3.6V
- 数据I/O支持0至5V信号电平(0.8V、1.2V、1.5V、1.8V、2.5V、3.3V和5V)
- 控制输入可由TTL或5V/3.3V CMOS输出驱动
- Ioff 支持部分掉电模式运行
- 闭锁性能超过250 mA,符合JESD 17标准
- 根据 JESD 22 标准测试的 ESD 性能:
- 2000V人体模型(A114-B,级别II)
- 1000 V 充电器件模型(C101)
- 设计用于低功耗便携式设备
应用
- 电平转换
- PCI接口
- USB 接口
- 存储器交错
- 总线隔离
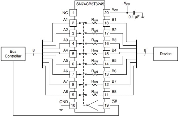
功能框图
典型应用原理图
典型特性曲线
发布日期: 2025-09-29
| 更新日期: 2025-10-13

