Texas Instruments SN74HC153 4选1数据选择器/多路复用器

Texas Instruments SN74HC153双通道4选1线路数据选择器/多路复用器包含完整的二进制解码,用于选择四个数据源中的一个。相同的地址选择输入控制两个通道,各通道均包含自己的选通 (G) 输入。选通端的高电平强制相应的输出为低电平。Texas Instruments SN74HC153具有2V至6V的宽工作电压范围。

特性

  • 宽工作电压范围:2 V至6 V
  • 输出可驱动多达15个LSTTL负载
  • 低功耗,最大ICC 为80μA
  • 典型tpd = 9ns
  • 输出驱动:±6mA(5V时)
  • 低输入电流:1μA(最大值)
  • 允许从n线路多路复用至一条线路
  • 执行并行至串行转换
  • 提供选通(使能)线路,用于级联(N线路至n线路)

应用

  • 选择数据源
  • 将多个设备连接到公共总线
  • 函数发生器
  • 实施不规则逻辑
  • 电压电平之间的接口
  • 电池备用系统
  • 数字电路项目
  • 通用逻辑

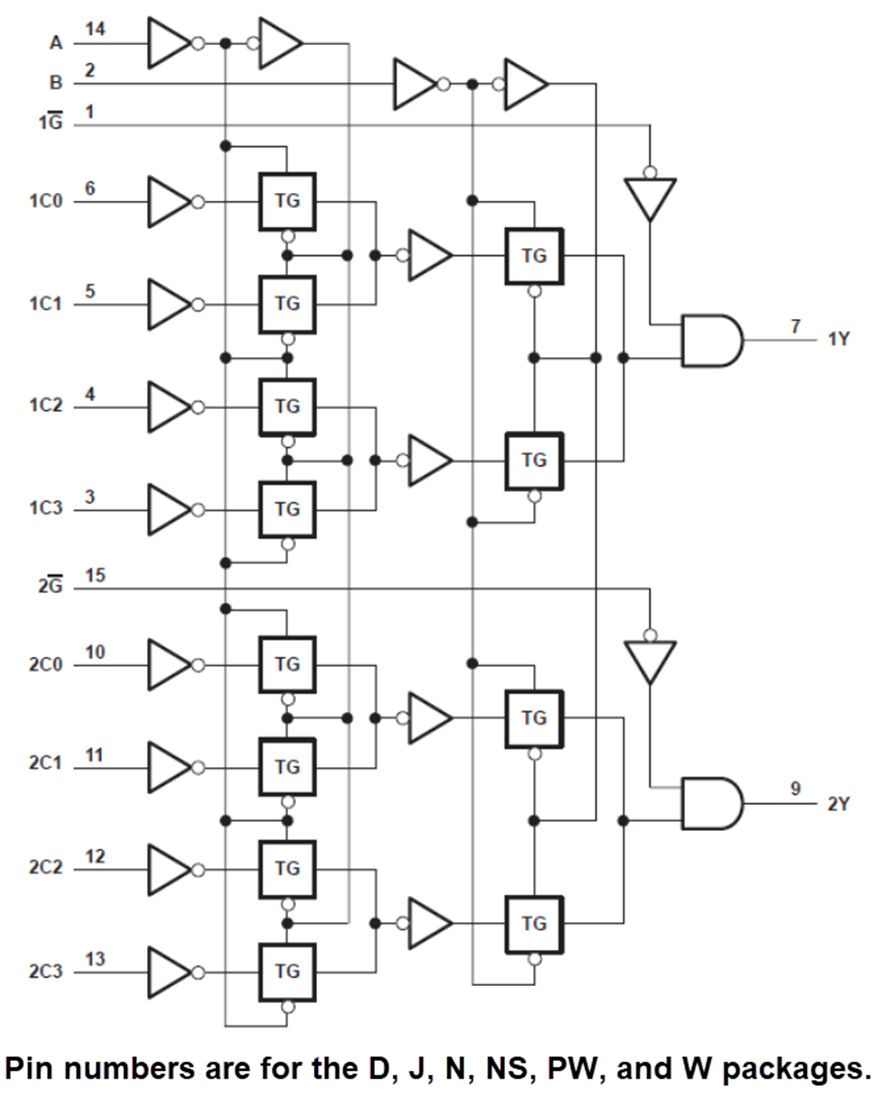
功能框图

框图 - Texas Instruments SN74HC153 4选1数据选择器/多路复用器
发布日期: 2025-05-01 | 更新日期: 2025-05-09