Texas Instruments SN74HC393/SN74HCS393双4位二进制计数器

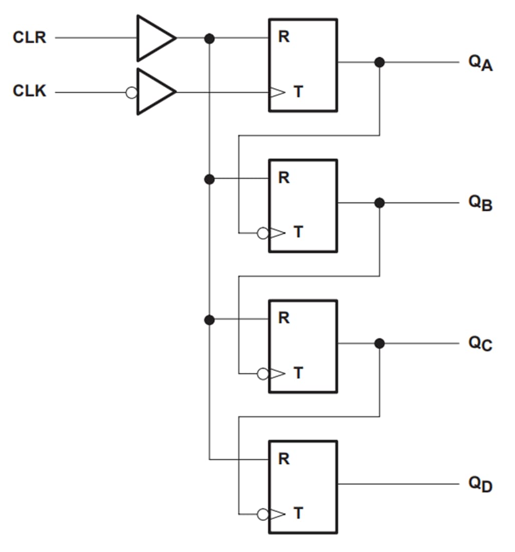
Texas Instruments SN74HC393/SN74HCS393双4位二进制计数器包含8个触发器和附加门控,可在单个封装中实现两个独立的4位计数器。这些设备由两个独立的4位二进制计数器组成,每个计数器都有一个清除(CLR)和一个时钟(CLK)输入。每个软件包都可以实现N位二进制计数器,提供除以256的功能。Texas Instruments SN74HC393/SN74HCS393的每个计数器级都有并行输出,因此输入计数频率的任何亚倍数都可用于系统定时信号。

特性

  • 宽工作电压范围:2 V至6 V
  • 输出最多可驱动10个LSTTL负载
  • 低功耗80µA(最大值)ICC
  • 典型tpd = 13ns
  • ±4mA的输出驱动(5V时)
  • 低输入电流1µA(最大值)
  • 带独立时钟的双通道4位二进制计数器
  • 直接清除每个4位计数器
  • 通过减少计数器封装数量,可大幅提高系统密度50%

逻辑图(正逻辑)

位置电路 - Texas Instruments SN74HC393/SN74HCS393双4位二进制计数器
发布日期: 2024-12-03 | 更新日期: 2024-12-13