Texas Instruments SN74HC595B 8位移位寄存器

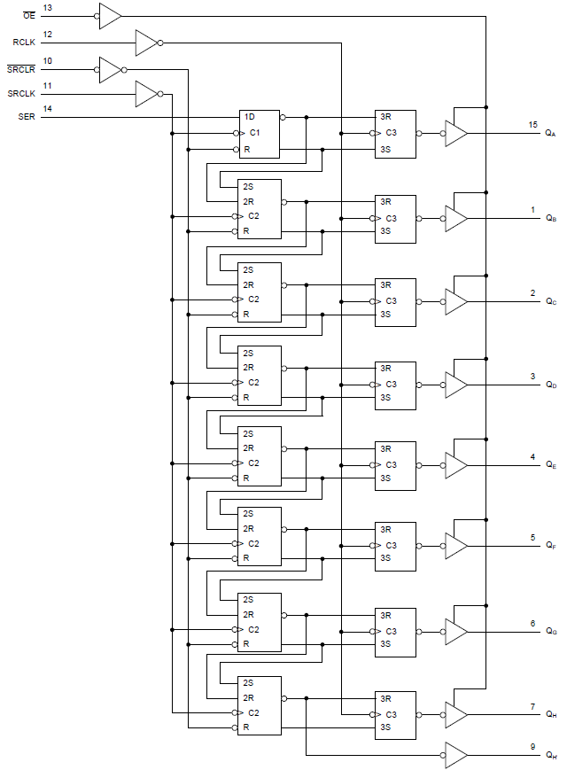
Texas Instruments SN74HC595B 8位移位寄存器包含一个8位串行输入/并行输出 (SIPO) 移位寄存器,可将数据馈入8位D类存储寄存器。存储寄存器具有并行 3 状态输出。分别为移位寄存器和存储寄存器提供时钟。移位寄存器具有一个直接覆盖清零 (SRCLR) 输入以及用于级联结构的串行 (SER) 输入和串行输出。当输出使能 (OE) 输入置为高电平时,除QH之外的所有输出均将置于高阻抗状态。

特性

  • 8位串行输入、并行输出移位寄存器
  • 可采用超小型逻辑QFN封装(最大高度为0.5mm)
  • 输入上的过压容差,不受VCC影响
  • 宽工作电压范围:2V至6V
  • 大电流三态输出可驱动多达15个LSTTL负载
  • 低功耗:80μA(最大值)ICC
  • tpd = 13ns(典型值)
  • 5V时为±6mA输出驱动
  • 低输入电流:1µA(最大值)
  • 移位寄存器具有直接清除功能
  • 工作温度范围: - 55°C至125°C

应用

  • 网络交换机
  • 工厂自动化
  • 移动可穿戴设备
  • 工业楼宇自动化
  • 电力基础设施
  • LED显示器
  • 服务器

功能框图

框图 - Texas Instruments SN74HC595B 8位移位寄存器
发布日期: 2016-05-31 | 更新日期: 2025-05-05