Texas Instruments SN74HC74/SN74HC74-Q1双路D型触发器

Texas Instruments SN74HC74/SN74HC74-Q1双D型触发器包含两个独立的D型正边缘触发触发器,每个触发器均具有异步预设和清零引脚。这些设备具有2V至6V的宽工作电压范围和-40°C至+85°C的宽工作温度范围。SN74HC74-EP设备采用金键合线,温度范围为 –55°C至+105°C,采用锡铅引线表面处理。Texas Instruments SN74HC74-Q1设备符合汽车应用类AEC-Q100认证。

特性

  • 缓冲输入
  • 工作温度范围
    • SN74HC74:-40 °C至+85 °C
    • SN74HC74-EP:-55 °C至125 °C
    • SN74HC74-Q1:–40°C至+125°C
  • 宽工作电压范围:2 V至6 V
  • 最多支持10个LSTTL负载的扇出
  • 与LSTTL逻辑IC相比,可显著降低功耗

应用

  • 将瞬时开关转换为拨动开关
  • 将时钟信号除以2或4

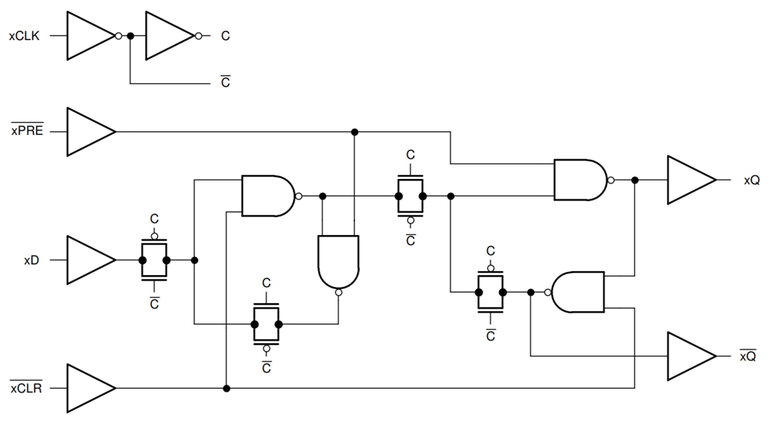
功能框图

框图 - Texas Instruments SN74HC74/SN74HC74-Q1双路D型触发器
发布日期: 2025-05-01 | 更新日期: 2025-05-09