特性
- 符合汽车应用类AEC-Q100标准
- 器件温度等级1级:-40°C至+125°C,TA
- 器件人体模型 (HBM) 静电放电 (ESD) 分类等级2级
- 器件充电器件模型 (CDM) ESD分类等级C6
- 宽工作电压范围:2V至6V
- 施密特触发器输入允许缓慢或嘈杂的输入信号
- 输出驱动:±7.8mA(6V时)
- 扩展环境温度范围:-40°C至+125°C,TA
- 低功耗
- 典型ICC :100nA
- 典型输入漏电流:±100nA
应用
- 存储器器件选择,带共享数据总线
- 减少芯片选择应用所需的输出数量
- 路由数据
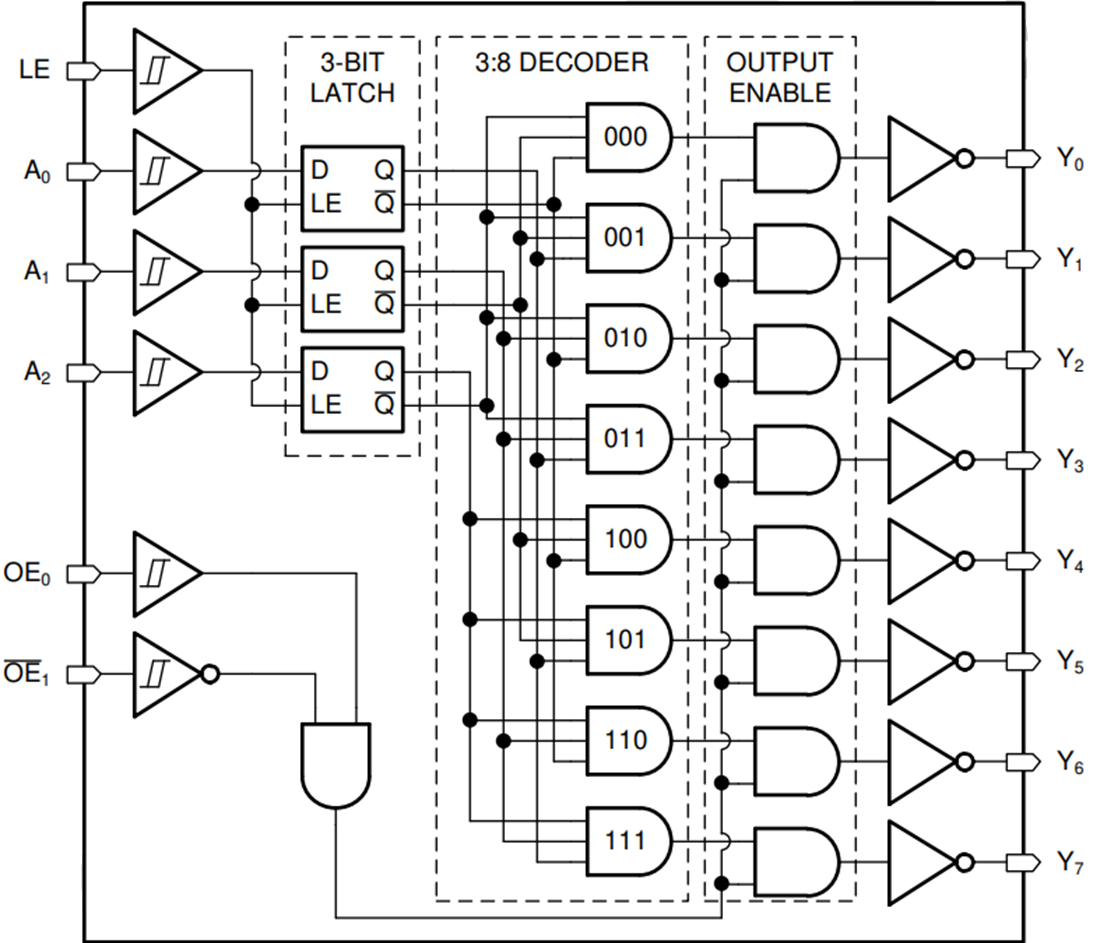
功能框图
发布日期: 2020-08-11
| 更新日期: 2024-08-01

