Texas Instruments SN74HCS138/SN74HCS138-Q1解码器/解复用器

Texas Instruments SN74HCS138/SN74HCS138-Q1解码器/解复用器是一款3线转8线解码器,具有一个标准输出选通 (G2) 和两个低电平有效输出选通(G1和G0)。当输出被任一选通输入所限制时,它们都被强制进入高电平状态。当输出未被选通输入禁用时,仅选定输出为低电平,而所有其他输出均为高电平。Texas Instruments SN74HCS138-Q1器件符合汽车应用类AEC-Q100认证。

特性

  • 宽工作电压范围:2 V至6 V
  • 施密特触发器输入允许缓慢或嘈杂的输入信号
  • 输出驱动:±7.8mA(6V时)
  • 扩展环境温度范围:-40°C至+125°C,TA
  • 低功耗
    • 典型ICC :100nA
    • 典型输入漏电流:±100nA

应用

  • 存储器器件选择,带共享数据总线
  • 路由数据
  • 减少片选应用所需的输出端数量

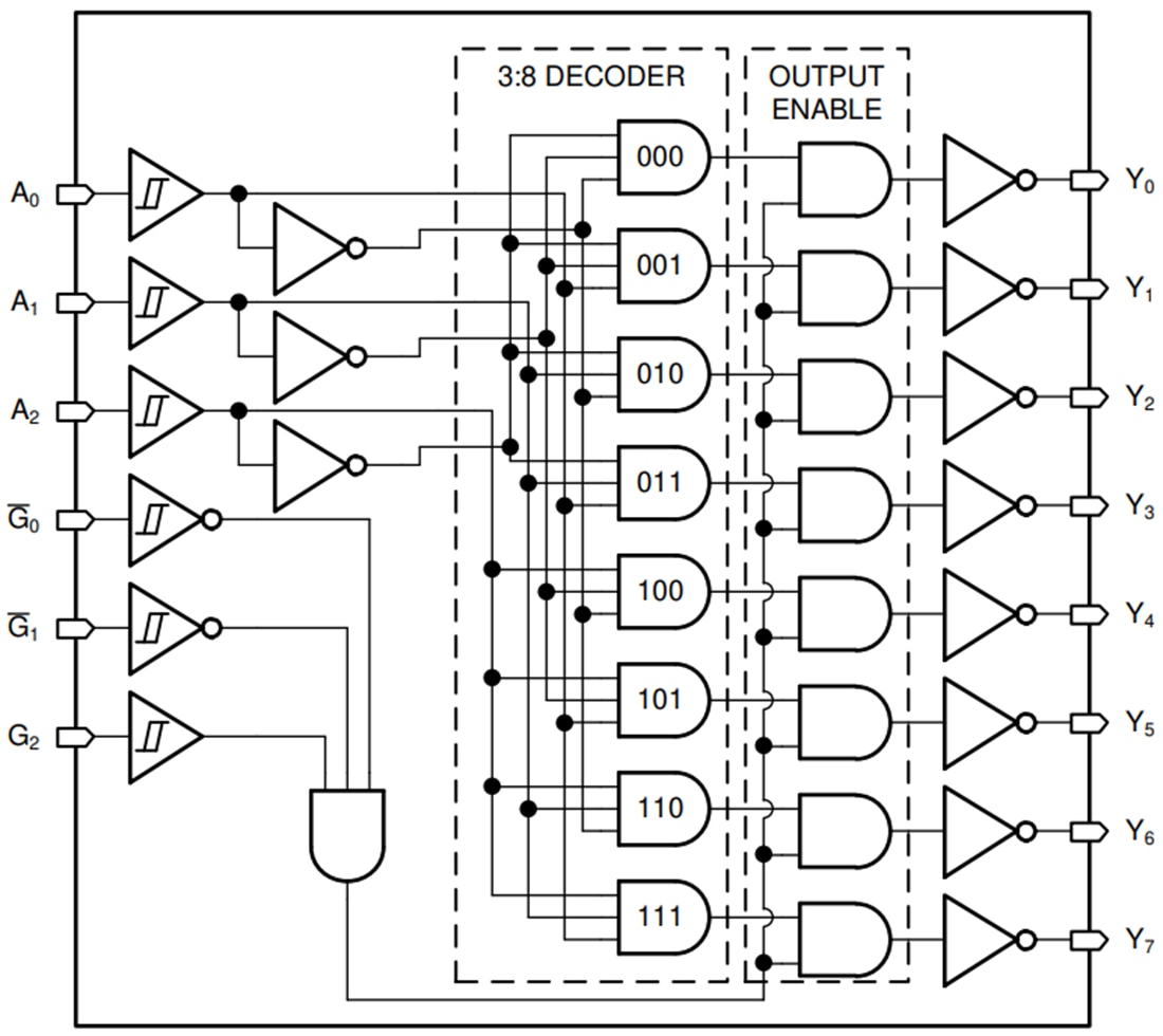
功能框图

框图 - Texas Instruments SN74HCS138/SN74HCS138-Q1解码器/解复用器
发布日期: 2020-10-26 | 更新日期: 2024-09-06