Texas Instruments SN74HCS164/SN74HCS164-Q1 8位移位寄存器
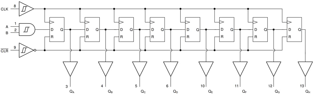
Texas Instruments SN74HCS164/SN74HCS164-Q1 8位串进/并出移位寄存包含一个带与门串行输入的8位移位寄存器和一个异步清除 (CLR) 输入。门控串行(A和B)输入允许完全控制输入数据;任一输入端的低电平都会抑制新数据的输入,并在下一个时钟(CLK)脉冲将第一个触发器复位为低电平。高电平输入启用另一个输入,然后确定第一个触发器的状态。只要满足最低设置时间要求,串行输入端的数据可以在CLK为高电平或低电平时更改。在CLK由低电平到高电平转换时,SN74HCS164/SN74HCS164-Q1会进行计时。 所有输入均包含施密特触发,因此消除了由于缓慢递进或嘈杂输入信号导致的任何错误数据输出。Texas Instruments SN74HCS164-Q1器件符合AEC-Q100标准,适用于汽车应用。特性
- 宽工作电压范围:2V至6V
- 施密特触发器输入允许缓慢或嘈杂的输入信号
- 输出驱动:±7.8mA(6V时)
- 扩展环境温度范围(TA):-40°C至+125°C
- 低功耗
- 典型ICC :100nA
- 典型输入漏电流:±100nA
应用
- 输出扩展
- LED矩阵控制
- 7段式显示器控制
- 8位数据存储
功能框图
发布日期: 2020-07-14
| 更新日期: 2024-07-02
