Texas Instruments SN74HCS166/SN74HCS166-Q1移位寄存器

Texas Instruments SN74HCS166/SN74HCS166-Q1 8位并联负载移位寄存器包含一个8位移位寄存器,具有一个串行输入和八个并联负载输入。Texas Instruments SN74HCS166-Q1器件符合汽车应用类AEC-Q100标准。

特性

  • 宽工作电压范围:2 V至6 V
  • 施密特触发器输入允许缓慢或嘈杂的输入信号
  • 输出驱动:±7.8mA(6V时)
  • 扩展环境温度范围:-40°C至+125°C,TA
  • 低功耗
    • 典型ICC :100nA
    • 典型输入漏电流:±100nA

应用

  • 输入扩展
  • 8位数据存储

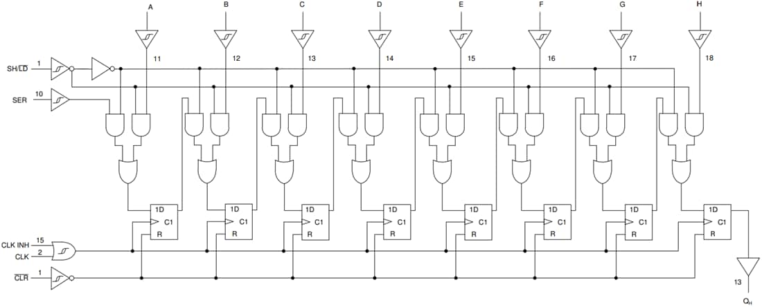
功能框图

框图 - Texas Instruments SN74HCS166/SN74HCS166-Q1移位寄存器
发布日期: 2020-08-11 | 更新日期: 2024-08-01