Texas Instruments SN74HCS237/SN74HCS237-Q1解码器/解复用器
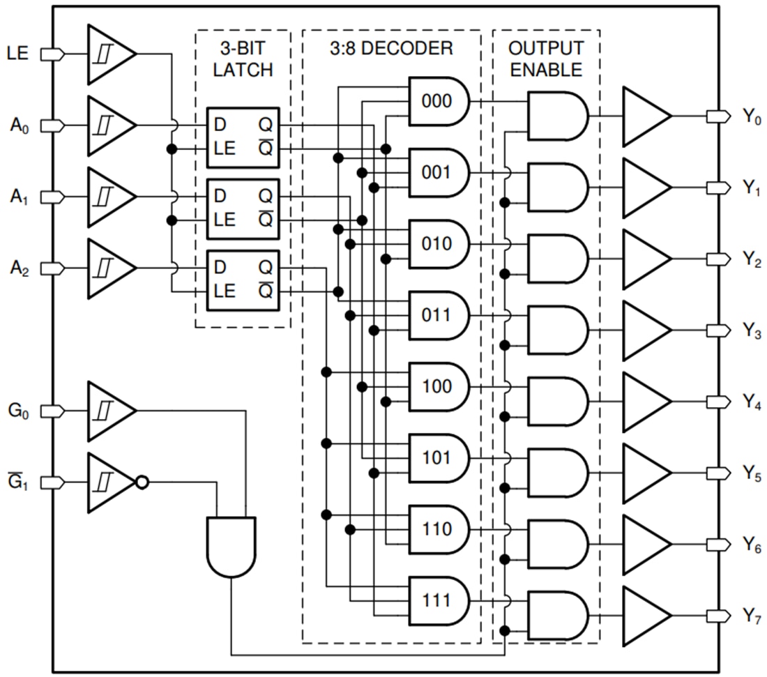
Texas Instruments SN74HCS237/SN74HCS237-Q1解码器/解复用器是一款3线转8线解码器,具有锁存地址输入,一个标准输出选通 (G0) 和一个低电平有效输出选通 (G1)。当锁存使能 (LE) 输入为高电平时,该器件将作为标准的三到八解码器工作。当锁存器使能 (LE) 输入为低电平时,地址锁存器保持先前的状态。当输出被任一选通输入选通时,所有输出都会强制进入低电平状态。当输出未被一个或两个选通输入禁用时,只有所选输出为高电平,其他输出均为低电平。Texas Instruments SN74HCS237-Q1器件通过了AEC-Q100汽车应用认证。特性
- 宽工作电压范围:2 V至6 V
- 施密特触发器输入允许缓慢或嘈杂的输入信号
- 输出驱动:±7.8mA(6V时)
- 扩展环境温度范围TA:-40°C至+125°C
- 低功耗
- 典型ICC :100nA
- 典型输入漏电流:±100nA
应用
- 存储器器件选择,带共享数据总线
- 路由数据
- 减少片选应用所需的输出端数量
功能框图
发布日期: 2020-10-27
| 更新日期: 2024-09-09
