SN74HCS251/SN74HCS251-Q1 8:1多路复用器具有-40°C 至+125°C的器件温度、低功耗和2V至6V的宽工作电压范围。Texas Instruments SN74HCS251/SN74HCS251-Q1 8:1多路复用器采用5.00mm x 4.40mm TSSOP-16和9.90mm x 3.90mm SOIC-16封装。SN74HCS251-Q1器件通过了汽车应用类AEC-Q100认证。
特性
- 宽工作电压范围:2 V至6 V
- 施密特触发器输入允许缓慢或嘈杂的输入信号
- 输出驱动:±7.8mA(6V时)
- 扩展环境温度范围:-40°C至+125°C,TA
- 低功耗
- 典型ICC :100nA
- 典型输入漏电流:±100nA
应用
- 数据选择
- 多路复用
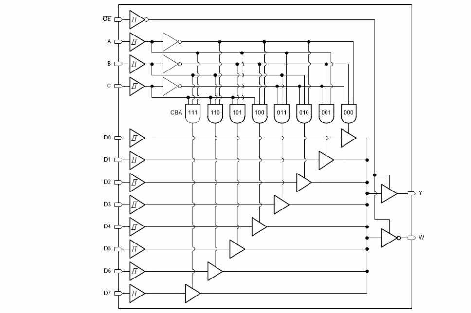
框图
施密特触发器输入图表的益处
发布日期: 2020-09-16
| 更新日期: 2024-08-21

