Texas Instruments SN74HCS259/SN74HCS259-Q1 8位可寻址锁存器

Texas Instruments SN74HCS259-Q1 8位可寻址锁存器设计用于数字系统中的通用存储应用。具体用途包括工作寄存器、串联保持寄存器以及高电平有效解码器或解复用器。这些多功能器件可在八个可寻址锁存器中存储单行数据。这些器件还可以用作1/8解码器或具有高电平有效输出的解复用器。Texas Instruments SN74HCS259-Q1器件符合汽车应用类AEC-Q100标准。

特性

  • 宽工作电压范围:2V至6V
  • 施密特触发器输入允许缓慢或嘈杂的输入信号
  • 输出驱动电流:7.8mA(6V时)
  • 扩展环境温度 (TA) 范围:-40°C至+125°C
  • 低功耗
    • 典型ICC :100nA
    • 典型输入漏电流:±100nA

应用

  • 存储器器件选择,带共享数据总线
  • 减少芯片选择应用所需的输出数量
  • 路由数据

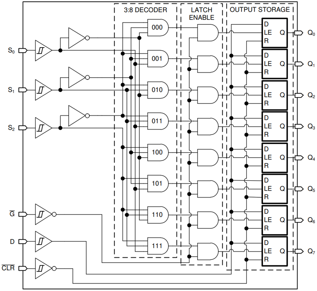
功能框图

框图 - Texas Instruments SN74HCS259/SN74HCS259-Q1 8位可寻址锁存器
发布日期: 2020-08-19 | 更新日期: 2024-11-07