Texas Instruments SN74HCS594/SN74HCS594-Q1 8位移位寄存器
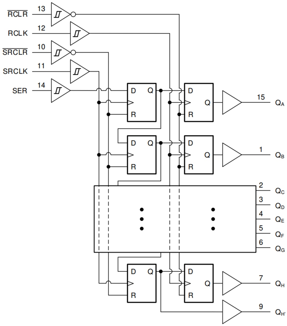
Texas Instruments SN74HCS594/SN74HCS594-Q1 8位串进/并出移位寄存器包含一个8位串进并出移位寄存器,可向8位D类存储寄存器馈送信号。所有输入均包含施密特触发,因此消除了由于缓慢递进或嘈杂输入信号导致的任何错误数据输出。存储寄存器具有并行输出。为移位寄存器和存储寄存器提供单独的时钟和直接覆盖清零(SRCLR、RCLR)输入。同时提供用于级联的串行输出(QH’)。Texas Instruments SN74HCS594/SN74HCS594-Q1的移位寄存器(SRCLK)和存储寄存器(RCLK)时钟为正边缘触发时钟。如果两个时钟相连,则移位寄存器比存储寄存器领先一个计数脉冲。SN74HCS594-Q1器件符合汽车应用类AEC-Q100认证。特性
- 宽工作电压范围:2 V至6 V
- 施密特触发器输入允许缓慢或嘈杂的输入信号
- 输出驱动:±7.8mA (6V)
- 低功耗
- 典型ICC :100nA
- 典型输入漏电流:±100nA
应用
- 输出扩展
- LED矩阵控制
- 7段式显示器控制
- 8位数据存储
功能框图
发布日期: 2020-07-14
| 更新日期: 2024-07-02
