Texas Instruments SN74HCS595-Q1汽车8位移位寄存器

Texas Instruments SN74HCS595-Q1汽车8位移位寄存器是一款包含8位串行输入、并行输出移位寄存器的器件。该寄存器可将数据馈入8位 D型存储寄存器。所有输入均包括施密特触发器,消除了 因慢速接插或嘈杂输入信号导致的任何错误数据输出。存储寄存器具有并行3状态输出。分别为移位寄存器和存储寄存器提供时钟。

特性

  • 符合汽车应用类AEC-Q100标准:
    • 器件温度等级1:-40°C至+125°C,TA
    • 器件人体模型 (HBM) 静电放电 (ESD) 分类等级2
    • 器件充电器件模型 (CDM) ESD分类等级C6
  • 宽工作电压范围:2V至6V
  • 施密特触发器输入允许缓慢或嘈杂的输入信号
  • 低功耗
    • 典型ICC为100nA
    • 典型输入漏电流:±100nA
  • 输出驱动:±7.8mA (5V)

应用

  • 输出扩展
  • LED矩阵控制
  • 7段式显示器控制
  • 8位数据存储

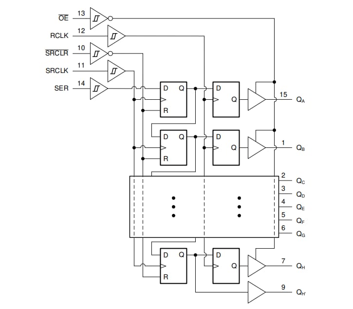
框图

框图 - Texas Instruments SN74HCS595-Q1汽车8位移位寄存器
发布日期: 2019-12-23 | 更新日期: 2024-02-13