Texas Instruments SN74HCS596/SN74HCS596-Q1 8位移位寄存器
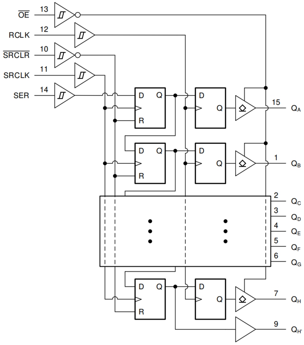
Texas Instruments SN74HCS596/SN74HCS596-Q1 8位串进/并出移位寄存器包含一个8位串进并出移位寄存器,可向8位D类存储寄存器馈送信号。所有输入均包含施密特触发器,可消除由于缓慢递进或嘈杂输入信号导致的任何错误数据输出。存储寄存器具有并行开漏输出。分别为移位寄存器和存储寄存器提供时钟。移位寄存器具有一个直接覆盖清零(SRCLR)输入、串行(SER)输入和用于级联的串行输出(QH’)。当输出使能 (OE) 输入置为高电平时,输出将置于高阻抗状态。Texas Instruments SN74HCS596/SN74HCS596-Q1上的内部寄存器数据不受OE输入操作的影响。SN74HCS596-Q1器件符合汽车应用类AEC-Q100认证。特性
- 宽工作电压范围:2 V至6 V
- 施密特触发器输入允许缓慢或嘈杂的输入信号
- 输出驱动:±7.8mA (6V)
- 低功耗
- 典型ICC :100nA
- 典型输入漏电流:±100nA
应用
- 输出扩展
- LED矩阵控制
- 7段式显示器控制
- 8位数据存储
功能框图
发布日期: 2020-07-14
| 更新日期: 2024-07-02
