Texas Instruments SN74HCT595/SN74HCT595-Q1 8位移位寄存器
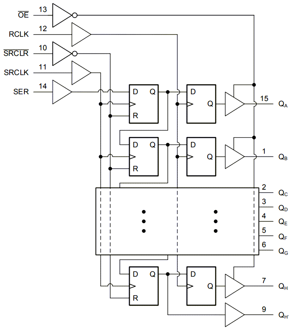
Texas Instruments SN74HCT595/SN74HCT595-Q1 8位移位寄存器包含8位串进并出移位寄存器,向8位D类存储寄存器馈送信号。存储寄存器具有并行 3 状态输出。分别为移位寄存器和存储寄存器提供时钟。移位寄存器具有一个直接覆盖清零 (SRCLR) 输入以及用于级联结构的串行 (SER) 输入和串行输出 (QH’)。当输出使能 (OE) 输入置为高电平时,存储寄存器输出将置于高阻抗状态。内部寄存器数据和串行输出 (QH') 不受OE输入操作的影响。Texas Instruments SN74HCT595-Q1器件符合汽车应用类AEC-Q100认证。特性
- 兼容LSTTL输入逻辑
- VIL(max)=0.8V、VIH(min)=2V
- 兼容CMOS输入逻辑
- II≤1µA(VOL、VOH时)
- 工作电压: 4.5V至5.5V
- 最多支持10个LSTTL负载的扇出
- 移位寄存器具有直接清除功能
- TA扩展环境温度范围:–40°C至+125°C
应用
- 输出扩展
- LED矩阵控制
- 7段式显示器控制
- 8位数据存储
功能框图
发布日期: 2022-03-16
| 更新日期: 2022-04-04
