Texas Instruments SN74LV2T74/SN74LV2T74-Q1双D型触发器
Texas Instruments SN74LV2T74/SN74LV2T74-Q1双D型触发器包含两个独立的D型正沿触发触发器。预设(PRE)输入处的低电平将输出设置为高电平。清除 (CLR) 输入端的低电平将输出复位为低电平。异步预设和清除功能不依赖于其他输入的电平。当PRE和CLR不活动(高电平)时,满足设置时间要求的数据(D)输入端的数据被传输到时钟(CLK)脉冲正沿上的输出(Q, Q)。时钟触发发生在电压电平,并且与输入时钟(CLK)信号的上升时间不直接相关。在保持时间间隔之后,数据(D)输入处的数据可以在不影响输出(Q, Q)处电平的情况下改变。输出电平以电源电压(VCC)为基准,支持1.8V、2.5V、3.3V和5V CMOS电平。该输入经设计,具有较低阈值电路,支持较低电压CMOS输入的升压转换(例如1.2V输入至1.8V输出或1.8V输入至3.3V输出)。此外,5V容限输入引脚可实现降压转换(例如3.3V至2.5V输出)。Texas Instruments SN74LV2T74-Q1器件符合AEC-Q100标准,适合汽车应用。LSN74LV2T74-EP器件具有金键合线、–55至+105°C的温度范围和SnPb引线涂层。
特性
- 1.8V至5.5V的宽工作范围
- 单电源电压转换器(参阅LVxT增强型输入电压):
- 上行转换
- 1.2V至1.8V
- 1.5V至2.5V
- 1.8V-3.3V
- 3.3V至5.0V
- 降压转换
- 5.0V、3.3V、2.5V至1.8V
- 5.0V、3.3V至2.5V
- 5.0V至 3.3V
- 上行转换
- 5.5V容限输入引脚
- 支持标准引脚排列
- 使用5V或3.3VVCC 时速度高达150Mbps
- 闭锁性能超过250mA,符合JESD 17标准
应用
- 将瞬时开关转换为拨动开关
- 在控制器复位期间保持信号
- 输入缓慢边沿速率信号
- 在嘈杂环境中运行
- 将时钟信号除以2
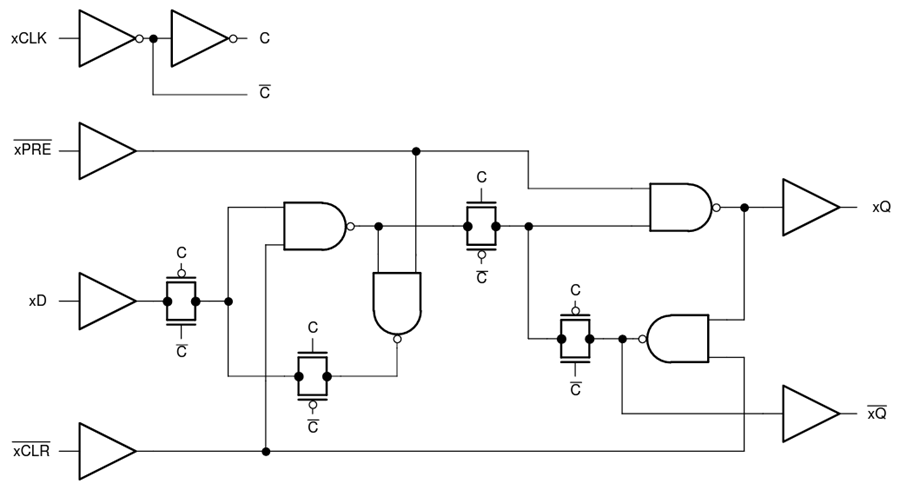
功能框图
发布日期: 2023-06-16
| 更新日期: 2024-01-05
