特性
- VCC 工作电压为2V至5.5V
- 所有端口均支持混合模式电压操作
- 典型VOLP(输出接地反弹):
- <0.8V (VCC = 3.3V,TA = 25°C时)
- 典型VOHV(输出VOH 下冲):
- >2.3V (VCC = 3.3 V,TA = 25°C时)
- 在5V电压下,最大tpd 为8.5ns
- Ioff 支持局部关断模式运行
- 闭锁性能超过250 mA,符合JESD 17标准
应用
- 打印机
- 电机控制器
- 网络交换机
- 服务器主板
- 无线基础设施
功能框图
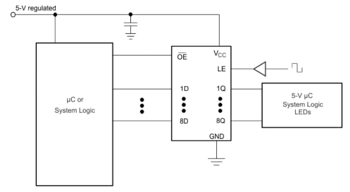
典型应用原理图
发布日期: 2024-12-24
| 更新日期: 2025-01-03

