特性
- 符合汽车应用类AEC-Q100标准 (SN74LV594A-Q1):
- 器件温度等级1:–40°C至+125°C,TA
- 器件HBM ESD分类等级2
- 器件充电器件模型 (CDM) ESD分类等级C6
- 采用可湿性侧翼QFN (WBQB) 封装
- 工作电压:2V至5.5V VCC
- 5V时最大tpd 为6.5ns
- 典型VOLP(输出接地弹跳)<>CC = 3.3V、TA = 25°C时)
- 支持所有端口上的混合模式电压运行
- 具有存储功能的8位串行输入、并行输出移位寄存器
- 移位寄存器和存储寄存器上的独立直接覆盖清零
- 移位寄存器和存储寄存器的独立时钟
- 闭锁性能超过100mA,符合JESD 78 II类标准
应用
- 输出扩展
- LED矩阵控制
- 7段式显示器控制
- ECG心电图
- 存储服务
- EPOS、ECR和收银机
- 服务器和高性能计算
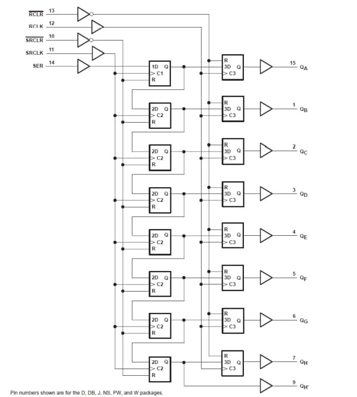
SN74LV594A逻辑图(正逻辑)
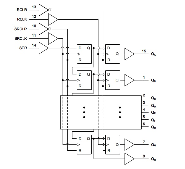
SN74LV594A-Q1逻辑图(正逻辑)
发布日期: 2023-01-16
| 更新日期: 2025-07-03

