Texas Instruments SN74LV595B-EP低噪声8位移位寄存器
Texas Instruments SN74LV595B-EP低噪声8位移位寄存器包含一个8位串行输入、并行输出移位寄存器,可为8位D类存储寄存器馈送信号。存储寄存器具有并行 3 状态输出。分别为移位寄存器和存储寄存器提供时钟。移位寄存器具有直接覆盖清除 (SRCLR) 输入、串行 (SER) 输入和用于级联的串行输出。当输出使能 (OE) 输入为高电平时,除QH外,所有输出均处于高阻抗状态。该器件完全适合使用Ioff的局部掉电应用。Ioff电路可禁用输出,防止断电时破坏性电流回流通过器件。Texas Instruments SN74LV595B-EP器件具有金丝键合线,温度范围为–55°C至+105°C,采用SnPb引线涂层。特性
- 2V至5.5V VCC工作电压
- 最大tpd:6.5ns(5V时)
- 所有端口支持混合模式电压操作
- Ioff支持局部关断模式运行
- 闭锁性能超过250mA,符合JESD 17标准
- 环境工作温度范围:-55°C至+125°C
- 支持国防、航空航天和医疗应用
- 受控基线
- 唯一组装/测试厂
- 唯一制造厂
- 延长的产品寿命周期
- 产品可追溯性
应用
- 输出扩展
- LED矩阵控制
- 7段式显示器控制
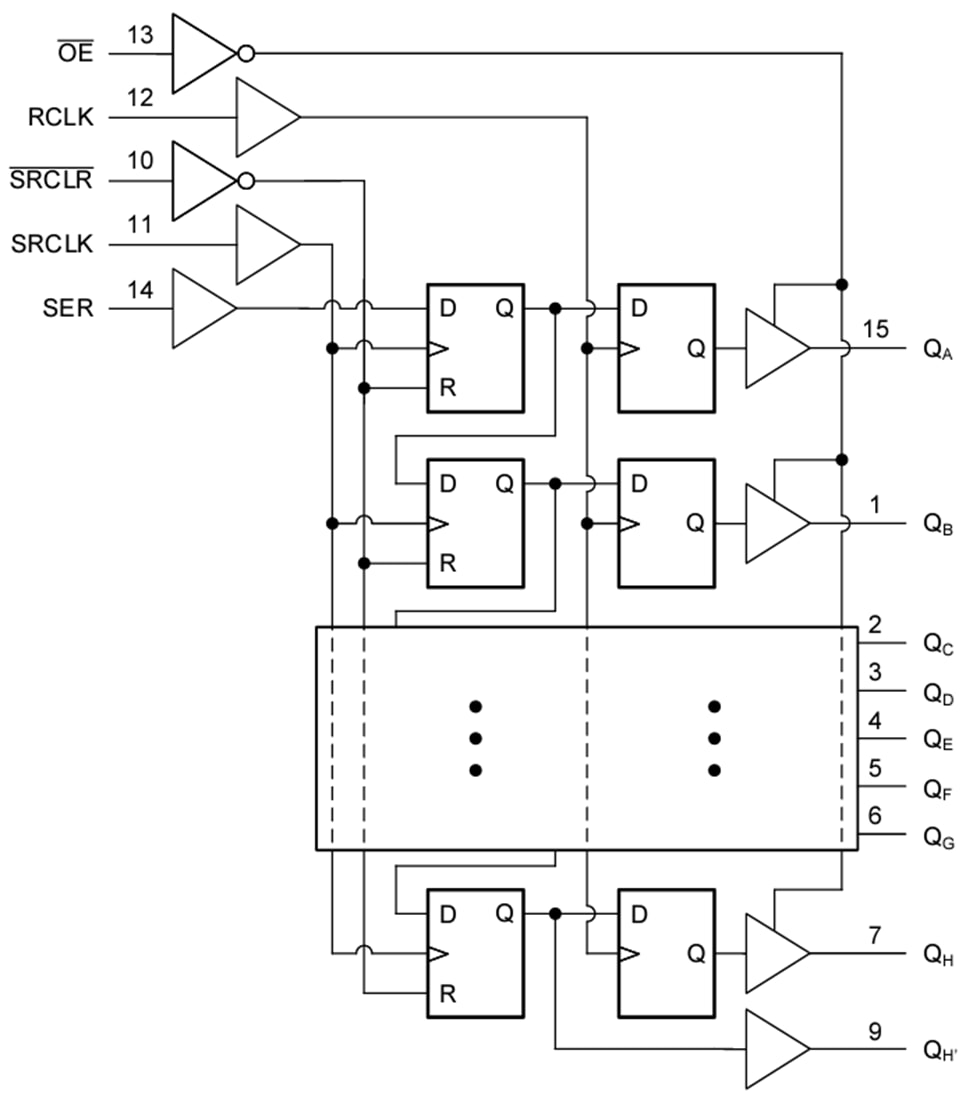
逻辑图
发布日期: 2023-11-02
| 更新日期: 2023-11-09
