输入设计采用较低阈值电路,支持较低电压CMOS输入(例如1.2V输入至1.8V输出或1.8V输入至3.3V输出)的升压转换。此外,可耐受5V电压的输入引脚支持降压转换(例如3.3V至2.5V输出)。Texas Instruments SN74LV8T138-EP器件采用金键合线,工作温度范围为-55至+105°C,采用锡铅引线涂层。
特性
- 宽工作电压范围:1.65V至5.5V
- 5.5V容限输入引脚
- 单电源电压转换器
- 上行转换
- 1.2V至1.8V
- 1.5V至2.5V
- 1.8V-3.3V
- 3.3V至5.0V
- 降压转换
- 5.0V、3.3V、2.5V至1.8V
- 5.0V、3.3V至2.5V
- 5.0 V 至 3.3 V
- 上行转换
- 速率高达150Mbps,VCC =5V或3.3V
- 支持标准功能引脚分配
- 闭锁性能超过250 mA,符合JESD 17标准
- 支持国防和航空航天应用
- 受控基线
- 一体化装配和测试场
- 唯一制造厂
- 延长的产品寿命周期
- 产品可追溯性
应用
- 启用或禁用数字信号
- 控制指示灯LED
- 通信模块和系统控制器之间转换
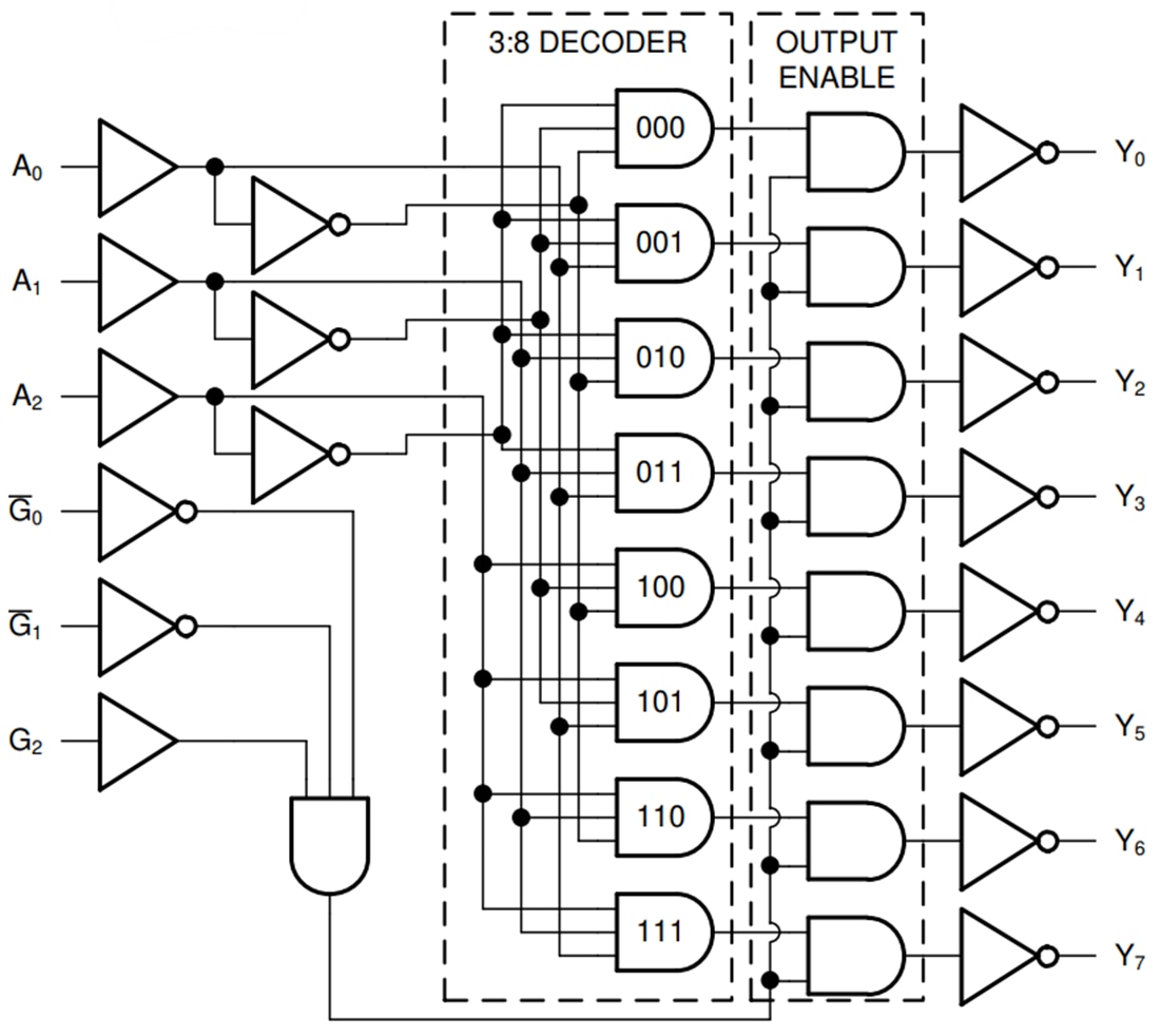
简化逻辑图
发布日期: 2025-04-04
| 更新日期: 2025-04-11

