TI SN74LV8T595/SN74LV8T595-Q1输入经设计,具有较低阈值电路,支持在电源电压大于输入电压时进行升压转换。输入电压大于电源电压时,5V容限输入引脚也可实现降压转换。输出电平始终以电源电压 (VCC) 为基准,支持1.8V、2.5V、3.3V和5V CMOS电平。
SN74LV8T595-EP器件采用金键合线,工作温度范围为-55°C至+105°C,采用锡铅引线涂层。TI SN74LV8T595-Q1符合汽车应用类AEC-Q100认证。
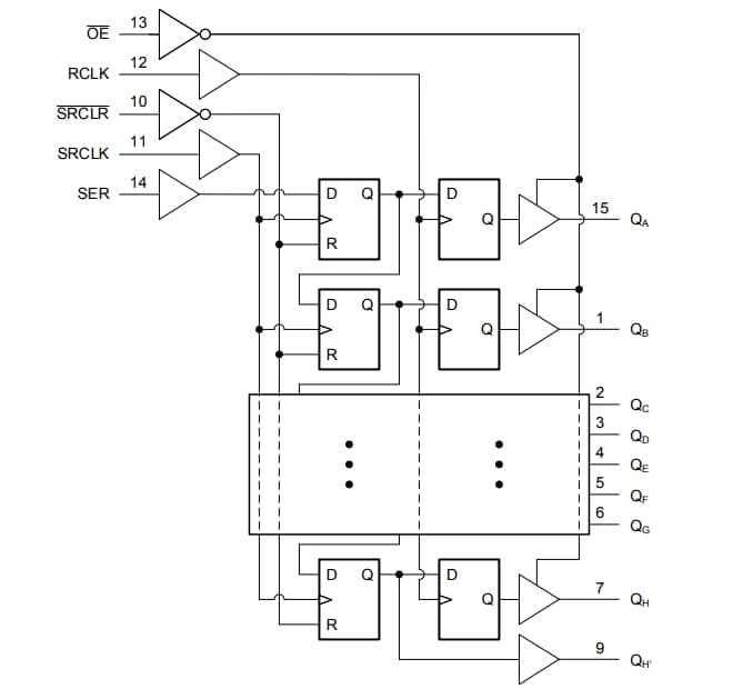
特性
- 符合汽车应用类AEC-Q100标准 (SN74LV8T595-Q1):
- 器件温度等级1级:-40°C至+125°C
- 器件HBM ESD分类级别2
- 器件CDM ESD分类级别C4B
- 采用可湿性侧翼QFN封装
- 锁存逻辑具有已知的上电状态,提供一致的启动行为
- 1.65V至5.5V的宽工作电压范围
- 5.5V容限输入引脚
- 支持标准功能引脚分配
- 闭锁性能超过250 mA,符合JESD 17标准
- VCC 为5V或3.3V时,速率高达150Mbps
- 单电源电压转换器(参见LVxT增强型输入电压):
- 升压转换:
- 1.2V至1.8V
- 1.5V至2.5V
- 1.8V-3.3V
- 3.3 V 至 5.0 V
- 降压转换:
- 5.0 V、3.3 V、2.5 V至1.8 V
- 5.0V、3.3V至2.5V
- 5.0 V 至 3.3 V
- 升压转换:
应用
- 数字标牌
- 控制指示灯LED
- 增加微控制器上的输出数量
简化的正逻辑
其他资源
发布日期: 2024-07-22
| 更新日期: 2025-05-08

