Texas Instruments SN74LV8T596/SN74LV8T596-Q1 8位移位寄存器
Texas Instruments SN74LV8T596/SN74LV8T596-Q1 8位串行加载移位寄存器包含对8位D类存储寄存器进行馈送的8位串行输入、并行输出 (SIPO) 移位寄存器。所有输入均包括施密特触发器,消除了由边沿变化缓慢或高噪声输入信号导致的任何错误数据输出。存储寄存器具有并行开漏输出。移位寄存器和存储寄存器分别有单独的时钟。移位寄存器有直接覆盖清零 (SRCLR) 输入、串行 (SER) 输入和用于级联的串行输出 (QH')。当输出使能 (OE) 输入置为高电平时,输出将置于高阻抗状态。OE输入的运行不影响内部寄存器数据。该输入经设计,具有较低阈值电路,支持电源电压大于输入电压时的升压转换。当输入电压大于电源电压时,可耐受5V电压的输入引脚实现降压转换。输出电平始终以电源电压(VCC)为基准,支持1.8V、2.5V、3.3V和5V CMOS电平。Texas Instruments SN74LV8T596-Q1器件通过了汽车应用类AEC-Q100认证。
特性
- 具有已知上电状态的锁存逻辑可提供一致的启动行为
- 1.65V至5.5V的宽工作电压范围
- 5.5V容限输入引脚
- 支持标准功能引脚分配
- 闭锁性能超过250 mA,符合JESD 17标准
- LVxT增强型输入与开漏输出相结合,可提供最大的电压转换灵活性:
- 运行速度超过6.67Mbps,(RPU=1kΩ,CL=30pF)
- 使用1.8V电源,即可实现1.2V至5V的升压转换
- 使用任何有效电源均可实现5V至0.8V甚至更低电压的降压转换
应用
- 数字标牌
- 控制指示灯LED
- 增加微控制器上的输出数量
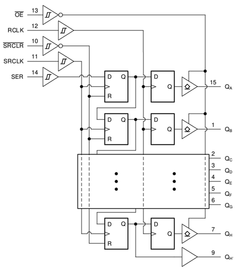
功能框图
其他资源
发布日期: 2024-06-07
| 更新日期: 2025-05-08
