特性
- 支持局部关断,具有反向驱动保护功能
- 高推挽输出驱动力:
- ±24 mA 下 3.3 V
- ±8 mA 下 2.3 V
- ±4 mA 下 1.65 V
- 最大传播延迟时间:20ns(3.3V时)
- 耐过压输入支持高达5.5V
- 工作电压范围:1.1 V至3.6 V
- SN74LVC165A-Q1 :
- 符合汽车应用类AEC-Q100标准:
- 器件温度1级:-40°C至125°C
- 器件HBM ESD分类级别2
- 器件CDM ESD分类级别C4B
- 符合汽车应用类AEC-Q100标准:
- 闭锁性能超过100mA,符合JESD78标准
应用
- 增加微控制器上的输入数量
- 读板修改
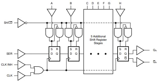
框图
应用电路图
发布日期: 2024-07-18
| 更新日期: 2025-05-05

