特性
- 结点工作电压范围:1.1V至3.6V
- 过电压容限输入支持高达5.5V,与VCC无关
- 支持部分电源关闭,具有反向驱动保护(Ioff)
- 结温范围:-65 °C至150 °C
- 高推挽输出驱动能力:
- ±24 mA 下 3.3 V
- ±8 mA 下 2.3 V
- ±4 mA(1.65 V 时)
- 闭锁性能超过250mA,符合JESD78规范
应用
- 网络交换机
- 电力基础设施
- LED显示屏
- 服务器
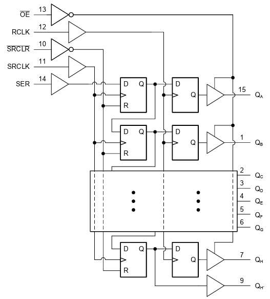
逻辑框图
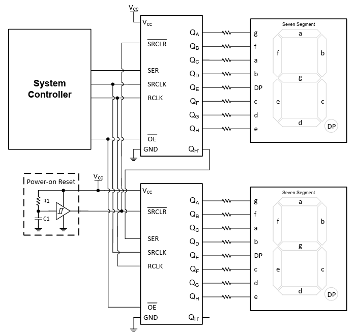
应用方框图
发布日期: 2026-01-14
| 更新日期: 2026-01-29

