TI SN74LXC8T245-Q1汽车双路电源收发器的工作温度范围为-40°C至+125°C,并通过了AEC-Q100汽车应用认证。这些器件采用TSSOP 24引脚和VQFN 24引脚封装。
特性
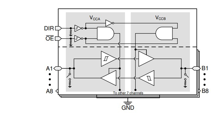
- 完全可配置的双轨设计,允许每个端口在1.1 V至5.5 V电压范围内工作
- 稳健、无干扰电源排序
- 高达420Mbps支持3.3V至5.0V
- 施密特触发器输入允许缓慢或嘈杂的输入
- I/O具有集成动态下拉电阻器,帮助减少外部元件数量
- 控制输入具有集成静态下拉电阻器,支持浮动控制输入
- 高驱动强度(5V时高达32mA)
- 低功耗
- 最大4 µA (25 °C)
- 最大值为12 µA(-40 °C至125 °C)
- VCC 隔离和VCC 断开(Ioff-float)功能
- 如果VCC 电源 < 100mV或断开,所有I/O都会被拉低,然后变成高阻抗
- Ioff 支持局部关断模式运行
- 兼容LVC系列电平转换器
- 控制逻辑(DIR和OE)以VCCA 为基准
- 工作温度范围:-40°C至+125°C
- 闩锁性能超过100mA,符合JESD 78标准,II级
- 静电放电保护超出JESD 22标准
- 人体模型:4000V
- 1000V充电器件模型
应用
- 消除缓慢或嘈杂的输入信号
- 驱动指示灯LED或蜂鸣器
- 机械开关去抖
- 信息娱乐音响主机
- ADAS融合
简化示意图
发布日期: 2020-12-16
| 更新日期: 2024-10-18

