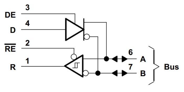
Texas Instruments SN65176B和SN75176B器件组合了差分输入线接收器和三态差分线路驱动器,它们由单个5V电源运行。该驱动器具有高电平有效使能,接收器具有低电平有效使能,可以对外连接作为方向控制。接收器差分输入和驱动器差分输出在内部连接,形成差分输入/输出 (I/O) 总线端口,该端口设计能在驱动器VCC = 0或被禁用时,为总线提供最小负载。这些端口具有宽的负和正共模电压范围,使该器件适用于分线应用。
驱动器设计用于高达60mA拉电流或灌电流。驱动器具有负向和正向热关闭功能,以及电流限制功能,以防止线路故障。热关闭功能设计在结温约为150°C时启动。接收器具有±200mV的输入灵敏度、12kΩ的最小输入阻抗以及50mV的典型输入迟滞。
特性
- 双向收发器
- 符合或超过ANSI标准TIA/EIA-422-B和TIA/EIA-485-A以及ITU建议V.11和X.27的要求。
- 专为嘈杂环境中长总线上的多点传输而设计
- 三态驱动器和接收器输出
- 单个驱动器和接收器使能
- 宽正负输入/输出总线电压范围
- 最大驱动器输出能力为±60mA
- 热关断保护
- 驱动器正负电流限制
- 接收器输入阻抗最小为12kΩ
- 接收器输入灵敏度为±200mV
- 接收器输入迟滞典型值为50mV
- 采用5 V单电源供电
应用
- 化学和气体传感器
- 数字标牌
- 人机接口(HMI)
- 电机控制器
- 交流感应
- 有刷和无刷直流
- 高低电压
- 步进电机
- 永磁体
- TETRA基站
- 电信塔
- 远程电气倾斜(RET)单元
- 塔式安装放大器(TMA)
- 磅秤
- 无线中继器
视频
功能框图
发布日期: 2025-09-26
| 更新日期: 2025-10-08

