Texas Instruments TAS2557 D类音频放大器
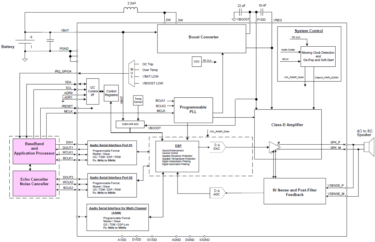
Texas Instruments TAS2557 D类音频放大器是完全片上系统 (SoC),具有超低噪声音频DAC和D类功率放大器。这些特性包含扬声器电压和电流感应反馈。片上低延迟DSP支持Texas Instruments SmartAmp扬声器保护算法,尽量提高响度,同时保持安全扬声器状态。该器件可以与任何带I2S输出的处理器一起轻松使用。使用两个TAS2557器件时可以实现立体声。支持不同扬声器的独立调谐,允许客户在保持外形设计的同时增值。而且,TAS2557在任何操作模式下均通过超低15.9µV ICN动态地支持独立语音和音频调谐,可实现接收器/扬声器。特性
- 超低噪声单声道升压D类放大器
- 在4Ω负载和4.2V电源电压条件下,THD+N为1%时的功率为5.7W,THD+N为10%时的功率为6.9W
- 在8Ω负载和4.2V电源电压条件下,THD+N为1%时的功率为3.8W,THD+N为10%时的功率为4.5W
- DAC + D类放大器的输出噪声 (ICN) 为15.9µV
- 1% THD+N/8Ω条件下的DAC + D类放大器的SNR为111dB
- 1W/8Ω条件下的THD+N为–90dB(具有平坦频率响应)
- 后置滤波器反馈 (PFFB)
- 当频率为217Hz时,200mVpp纹波电压的电源抑制比 (PSRR) 为110dB
- 输入采样速率范围为8kHz至96kHz
- 内置扬声器感测
- 测量扬声器电流和电压
- 测量VBAT电压和芯片温度
- 专用实时双核DSP,用于扬声器保护
- 热和偏移保护
- 检测扬声器泄漏和损坏
- 高效H类升压转换器,配备多级跟踪
- 86%(500mW,8Ω,3.6V VBAT)
- 87%(700mW,8Ω,4.2V VBAT)
- 可配置的自动增益控制 (AGC)
- 限制电池电流消耗限制
- 可调节D类开关边缘速率控制
- 热保护、短路保护和欠压保护
- I2S、左对齐、右对齐、 DSP和TDM输入和输出接口
- I2C或SPI接口,用于寄存器控制
- 可使用两个TAS2557器件实现立体声配置
- 电源
- 升压输入:2.9V - 5.5V
- 模拟/数字:1.65V至1.95V
- 数字I/O:1.62V至3.6V
- 42焊球、0.5mm脚距、DSBGA封装
应用
- 手机和平板电脑
- 可视门铃和语音恒温器
- 个人电脑
- 蓝牙扬声器和附件
功能框图
发布日期: 2017-08-30
| 更新日期: 2022-05-06
