特性
- 支持通过各种接口对TAS2781进行评估和开发:
- USB 接口
- 通过PurePath™ Console 3 (PPC3) GUI、USB-HID进行软件控制
- USB级音频设备,兼容Microsoft® Windows® 7+
- PSIA - I2S/TDM接口
- I2C或SPI
- 外部100-mil接头
- 硬件关机控制
- 中断输出
- 使用板载控制器提供连接接口和电源电压
- Hybrid-pro升压控制器支持
- 用于音频数据和控制的USB输入
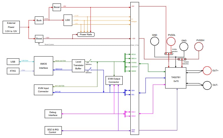
TAS2781EVM原理图和框图
其他资源
发布日期: 2024-01-05
| 更新日期: 2024-01-11

