Texas Instruments TAx5x12EVM-K 评估模块(EVM)
Texas Instruments TAx5x12EVM-K评估模块 (EVM) 使用户能够测试各种TI的音频CODEC、ADC和DAC的功能。TAC5212是一款低功耗立体声音频编解码器,带118dB动态范围ADC和119dB动态范围DAC。TAC5112是一款低功耗立体声音频编解码器,带100dB动态范围ADC和106dB动态范围DAC。TAD5212是一款具有119dB动态范围的低功耗立体声音频DAC,而TAA5212是一款具有118dB动态范围的低功耗立体声音频ADC。该评估模块与AC-MB配对使用。AC-MB是一块灵活的主板,为此评估模块提供电源、控制和数字音频数据。Texas Instruments TAx5x1x系列器件通过PurePathConsole 3 (PPC3) GUI进行配置。特性
- 一套完整的评估套件,用于:TAC5212立体声高性能编解码器;TAC5112立体声编解码器;TAD5212立体声高性能DAC;或TAA5212立体声高性能ADC
- 提供板载麦克风,用于语音记录测试
- 直接访问数字音频信号和控制接口,以便于终端系统集成
- 与PC的USB连接可提供电源、控制和音频流数据,以便于评估
套件内容
- TAC5212、TAC5112、TAD5212或TAA5212器件
- TAx5x12EVM子板
- AC-MB控制器/主板
应用
- 陆地移动无线电
- IP网络摄像头
- IP电话
- 视频会议系统
- 专业音频混合器/控制台
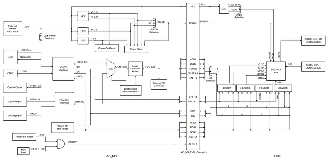
框图
板布局
发布日期: 2024-12-16
| 更新日期: 2025-03-21
