TI TCAL9538包括敏捷I/O端口,可提供旨在增强 I/O速度、功耗和EMI性能的附加特性。此类附加特性包括可编程输出驱动强度、可编程上拉和下拉电阻、可锁存输入、可屏蔽中断、中断状态寄存器以及可编程开漏或推挽输出。
特性
- 工作电源电压范围:1.08 V至3.6 V
- 1.8V时具有1µA(典型值)的低待机电流消耗
- 1MHz快速模式+ I2C总线
- 硬件地址引脚允许两个设备在同一根I2C、SMBus总线上。
- 低电平有效复位输入 (RESET)
- 低电平有效的开漏中断输出 (INT)
- 输入或输出配置寄存器
- 极性反转寄存器
- 可配置I/O驱动强度寄存器
- 上拉和下拉电阻器配置寄存器
- 内部上电复位
- SCL/SDA输入端静噪滤波
- 具有最大电流驱动能力的锁存输出,可直接驱动LED
- 闭锁性能超过100mA,符合JESD 78 II类标准
- 静电放电保护超出JESD 22标准
- 4000V人体模型 (A114-A)
- 1000V充电器件模型 (C101)
应用
- 服务器
- 路由器(电信交换设备)
- 个人电脑
- 个人电子设备
- 工业自动化
- 游戏机
- 处理器GPIO有限的产品
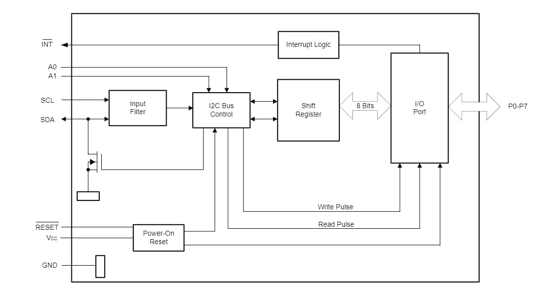
简化示意图
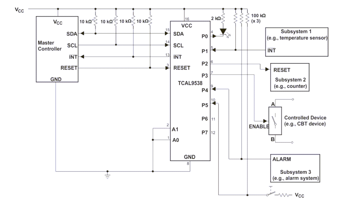
典型应用原理图
逻辑图(正逻辑)
发布日期: 2024-01-25
| 更新日期: 2024-10-30

