Texas Instruments TDES954 4.16Gbps V3Link解串器集线器
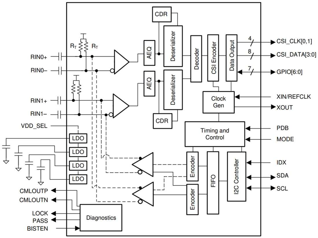
Texas Instruments TDES954 4.16Gbps V3链路解串器集线器是一款多功能双解串器集线器,能够通过V3Link接口从一个或两个独立源接收串行传感器数据。与TSER953串行器配合使用时,TDES954从成像仪接收数据,支持2MP/60fps和4MP/30fps摄像头以及卫星雷达和其他传感器,例如ToF和LIDAR。接收数据并聚合到符合MIPI CSI-2的输出中,以便互连到下游处理器。对于采用DVP模式串行器的传感器,TDES954接收和汇总来自一个或两个传感器的数据,包括全高清1080p 2MP 60/fps成像器传感器。为2通道运行配置CSI-2接口时,会提供一个完全相同的MIPI CSI-2时钟通道,以提供复制输出。复制模式可创建两个聚合视频流副本,用于数据记录和并行处理。Texas Instruments TDES954和搭档TSER953芯片组设计通过50Ω单端同轴电缆或100Ω差分STP电缆接收数据。解串器集线器非常适合用于同轴供电应用,接收均衡器自动适应以补偿电缆损失特性,无需其他编程,包括电缆随时间推移而降级。每个V3Link接口还包括一个独立的低延迟双向控制通道 (BCC),可以连续传输I2C、GPIO和其他控制信息。传感器同步和诊断功能用的GPIO信号也利用BCC。
特性
- 双解串器集线器可以通过V3Link接口聚合一个或两个有源传感器
- 器件温度范围TA:–20℃至+85℃
- 兼容同轴电缆输电 (PoC) 的收发器
- 兼容MIPI DPHY版本1.2/CSI-2版本1.3:
- CSI-2输出端口
- 支持1、2、3、4数据通道
- CSI-2数据速率可扩展至每个数据通道400Mbps/800Mbps/1.5Gbps/1.6Gbps
- 可编程数据类型
- 四个虚拟通道
- 生成ECC和CRC
- 超低数据和控制路径延迟
- 支持单端同轴或屏蔽双绞线 (STP) 电缆
- 自适应接收均衡
- 具有快速模式增强版(高达1Mbps)的I2C
- 用于摄像头同步和诊断的灵活GPIO
- 与TSER953串行器兼容
- 线路故障检测和高级诊断
- 符合IEC 61000-4-2 ESD标准
应用
- 家用电器
- 视频监控
- 电梯和自动扶梯
- 工业机器人
- 机器视觉
- 患者监护和诊断
- 成像系统
功能框图
发布日期: 2021-05-26
| 更新日期: 2022-03-11
