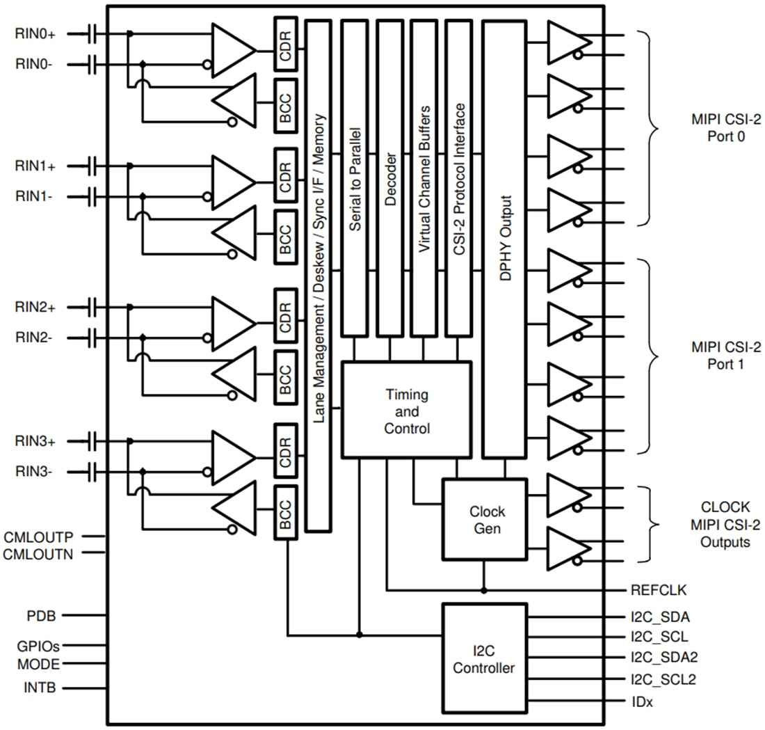
TDES960包含四个V3Link解串器,每一个都能够通过高性价比的50Ω单端同轴或100Ω差分STP电缆进行连接。接收均衡器自动适应以补偿电缆损耗特性,其中包括随着时间的衰减。每个V3Link接口还包括一个独立的低延迟双向控制通道,可以连续传输I2C、GPIO和其他控制信息。通用I/O信号,例如摄像头同步和诊断特性需要的那些信号也利用该双向控制通道。Texas Instruments TDES960采用经济高效、节省空间的64引脚VQFN封装。
特性
- 四路4.16 Gbps解串器集线器汇集同时来自多达四个传感器的数据
- 支持200万像素传感器,全高清1080p分辨率,60Hz帧速率
- 器件温度范围(–20℃至+85℃环境工作温度)
- 精确的多摄像头同步
- 兼容MIPI DPHY版本1.2/CSI-2版本1.3
- 两个× MIPI CSI-2输出端口
- 每个CSI-2端口支持1、2、3、4个数据通道
- CSI-22数据速率可扩展至每个数据通道400Mbps/800Mbps/1.2Gbps/1.5Gbps/1.6Gbps
- 端口复制模式
- 超低数据和控制路径延迟
- 支持单端同轴包括同轴供电 (PoC) 或屏蔽双绞线 (STP) 电缆
- 自适应接收均衡
- 双I2C端口,快速模式增强版,高达1Mbps
- 用于传感器同步和诊断的灵活GPIO
- 兼容TSER953串行器
- 内部可编程精密帧同步发生器
- 线路故障检测和高级诊断
应用
- 家用电器
- 视频监控
- 电梯和自动扶梯
- 工业机器人
- 机器视觉
- 患者监护和诊断
- 成像系统
功能框图
发布日期: 2021-06-03
| 更新日期: 2022-03-11

