TI TDP1204电平转换器混合转接驱动器支持拉电流和灌电流应用,可在线性或有限转接驱动器功能下工作。配置为限幅转接驱动器时,该器件的差分输出电压电平独立于图形处理单元 (GPU) 的输出电平,从而确保插座的HDMI电平符合要求。TDP1204集成电平转换器后,无需分立式解决方案,因此节省了系统成本。
TDP1204支持3.3V VCC单电源轨,可用于商业级温度范围 (TDP1204) 和工业级温度范围 (TDP1204)。
特性
- 支持高达12Gbps HDMI 2.1数据速率的交流耦合或直流耦合输入和输出
- 向后兼容HDMI 1.4b和HDMI 2.0b
- HDMI 2.1固定速率链路 (FRL) :3、6、8、10和12Gbps
- 支持HDMI 2.1三通道和四通道FRL
- 优化用于HDMI源应用
- 6GHz时高达12dB的可编程接收器均衡器
- I2C或引脚搭接可编程
- 集成的HPD电平转换器同时支持1.8V和3.3V LVCMOS电平
- 集成的DDC缓冲器支持最低1.2V电平
- 主通道上全通道交换
- 用于链路配置的数字显示控制 (DDC) 监控功能
- 低功耗:
- 575mW 12G FRL四通道有源受限
- 220mW 12G FRL四通道有源线性
- 断电功耗:0.6mW
- 可用于商业级和工业级温度范围
- 3.3V单电源
- 40引脚、0.4mm间距、4mm × 6mm WQFN封装
应用
- 笔记本电脑和台式电脑
- 电视
- 家庭影院和娱乐
- 游戏系统
- 扩展坞
- 专业音频、视频和标牌
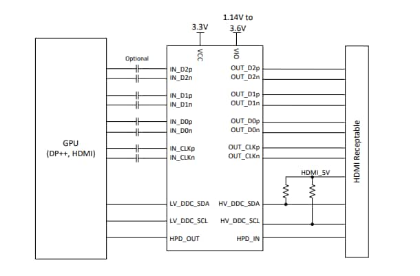
简化示意图
框图
发布日期: 2022-07-29
| 更新日期: 2023-04-03

