Texas Instruments THVD1400V半双工RS-422/RS-485收发器
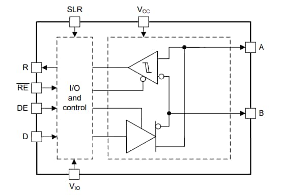
Texas Instruments THVD1400V半双工RS-422/RS-485收发器具有灵活的I/O电源和集成IEC ESD保护,可提供5μA关断电源电流。该收发器包括一个转换速率控制引脚 (SLR),用于将收发器设置为最大的20Mbps模式或转换速率受限的500kbps模式。 THVD1400V 收发器 具有差分输出,在5V电源下可超过2.1V,以兼用PROFIBUS,并支持1.65V至5.5V低电平逻辑接口。该收发器用于工厂自动化和控制、楼宇自动化、电机驱动、电力输送、工业运输、HVAC系统、智能电表和通信基础设施。THVD1400V收发器满足或超过TIA/EIA-485A标准的要求。该收发器的工作温度范围为–40°C至125°C,采用3mmx3mm VSON(10 引脚)封装。
特性
- 达到或超出TIA/EIA-485A标准的要求
- 差分输出超过2.1V,可实现与5V电源的PROFIBUS兼容性
- RS-485电源电压范围:3V至5.5V
- 1.65V到5.5V逻辑信号接口电源
- 半双工RS-422/RS-485
- 可配置的最大数据速率:
- SLR = 500kbps(高)
- SLR = 20Mbps(低或浮动)
- 总线I/O保护:
- ±16kV HBM ESD
- ±12kV IEC 61000-4-2接触放电
- ±12kV IEC 61000-4-2气隙放电
- ±4V IEC 61000-4-4快速瞬态脉冲
- ±16V总线故障保护(总线引脚上的绝对最大电压)
- 低功耗:
- 关断电源电流:5μA
- 工作期间静态电流:<3mA
- 用于热插拔功能的无干扰上电和断电
- 开路、短路和空闲总线失效防护
- 1/8单位负载(多达256个总线节点)
- 小型热效率高的10引脚VSON封装 (3 MM x 3 MM)
应用
- 工厂自动化和控制
- 电力输送
- 工业运输
- 楼宇自动化
- HVAC系统
- 电机驱动器
- 智能电表
- 通信基础设施
简化版应用电路图
发布日期: 2024-01-12
| 更新日期: 2024-01-24
