TI THVD1406/THVD1426半双工RS-485收发器由3V至5.5V单电源供电。总线引脚具备宽共模电压范围和低输入泄漏,从而使这些器件适用于长线缆上的多点应用。
THVD14x6收发器采用可实现快插兼容性的业界通用8引脚SOIC封装或节省空间的小型SOT封装。些器件的额定温度范围为–40°C至125°C。
特性
- 达到或超出TIA/EIA-485A标准的要求
- 电源电压:3V至5.5V
- 使用数据输入引脚的自动方向控制
- 半双工RS-422/RS-485
- 数据速率
- 500kbps THVD1406
- 12Mbps THVD1426
- 总线I/O保护
- ±16kV HBM ESD
- ±12kV IEC 61000-4-2接触放电
- ±15kV IEC61000-4-2气隙放电
- ±4kV IEC 61000-4-4快速瞬态脉冲
- ±16V总线故障保护
- 小型、节省空间的8引脚SOT封装选项 (2.1mm x 1.2mm)
- 扩展工业温度范围:-40°C至125°C
- 用于噪声抑制的大接收器滞后
- 低功耗
- 低待机电源电流:3µA(典型值)
- 工作静态电流:1.7mA(典型值)
- 适用于热插拔功能的无干扰上电和断电
- 开路、短路和空闲总线失效防护
- 1/8单位负载(多达256个总线节点)
应用
- 工厂自动化和控制
- 楼宇自动化
- 暖通空调系统
- 视频监控
- 智能电表
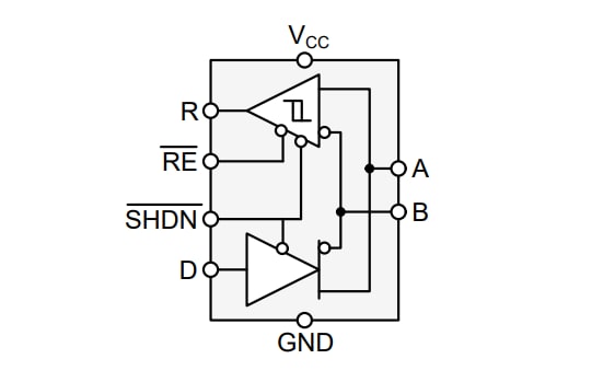
简化示意图
发布日期: 2022-04-05
| 更新日期: 2023-09-13

