TI TL4051提供三种初始公差,从A级的0.1%(最大值)到C级的0.5%(最大值)。这些特性使设计人员能够根据应用选择最佳性价比的产品。
TL4051基准器采用节省空间的SOT-23-3和SC-70封装,所需的最小电流为45µA(典型值)。TL4051xI的工作环境温度范围为-40°C至85°C,而TL4051xQ的工作环境温度范围为-40°C至125°C。
特性
- 固定1.225V和可调(1.225V至10V)输出
- 低输出噪声:20µVRMS(典型值)
- 输出公差小,温度系数低
- 最大0.1%,50ppm/°C - A级
- 最大0.2%,50 ppm/°C - B级
- 最大0.5%,50 ppm/°C - C级
- 宽工作电流范围:60µA(典型值)至12mA
- 在所有电容负载下均保持稳定;无需输出电容
- 该器件提供
- 工业温度范围:-40°C至85°C
- 扩展温度范围:-40°C至125°C
应用
- 数据采集系统
- 电源和电源监控器
- 仪器仪表和测试设备
- 过程控制
- 精密音频
- 汽车电子
- 能源管理/计量
- 电池供电设备
针脚/包装样式
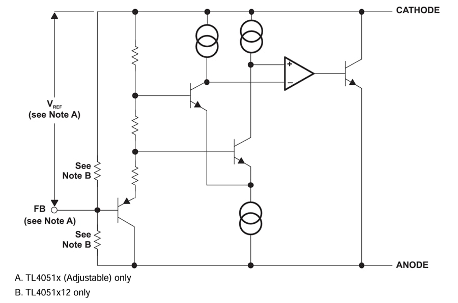
功能框图
发布日期: 2025-01-20
| 更新日期: 2025-01-26

