TLC694x器件集成了增强型电路来解决小间距LED显示应用中的各种显示问题。这些问题包括低灰度均匀性问题、耦合问题、重影问题和卡特彼勒问题。此外,该器件具有LED开路检测功能,可以通过串行数据接口端口读取结果。借助热关断和IREF电阻短路保护,确保更高的系统可靠性。智能省电模式将总电流消耗降至1mA(典型值),所有输出均关闭。
特性
- 电源电压范围
- VCC电压范围:3V至5.5V
- VLED电压范围:高达VCC +0.3V
- 16个恒定电流阱通道
- 0.3mA至25mA(3V ≤ VCC ≤ 5.5V)
- 通道电流偏差:±1%(典型值)
- 设备当前偏差:±1%(典型值)
- 膝点电压低:0.3V(典型值)(10mA时)
- 7位(128级)全局亮度控制 (BC)
- 16位(65,536级)增强频谱PWM灰度控制
- 内置存储器支持32多路复用 (TLC6946) 和48多路复用 (TLC6948)
- LED显示器性能增强
- 低灰度均匀性改进
- 消除低灰度耦合问题
- 消除重影问题和卡特彼勒问题
- 高速串行数据接口
- 数据移位时钟:33MHz(最大值)
- 灰度控制时钟:33MHz(最大值)
- 支持双边灰度控制
- 诊断和保护
- LED开路检测 (LOD)
- IREF电阻器短路保护 (ISP)
- 热关断 (TSD)
- 智能省电模式
应用
- 单色、多色、全色LED显示器
- 高刷新速率LED视频显示器
- 高密度、小脚距LED矩阵显示器
框图
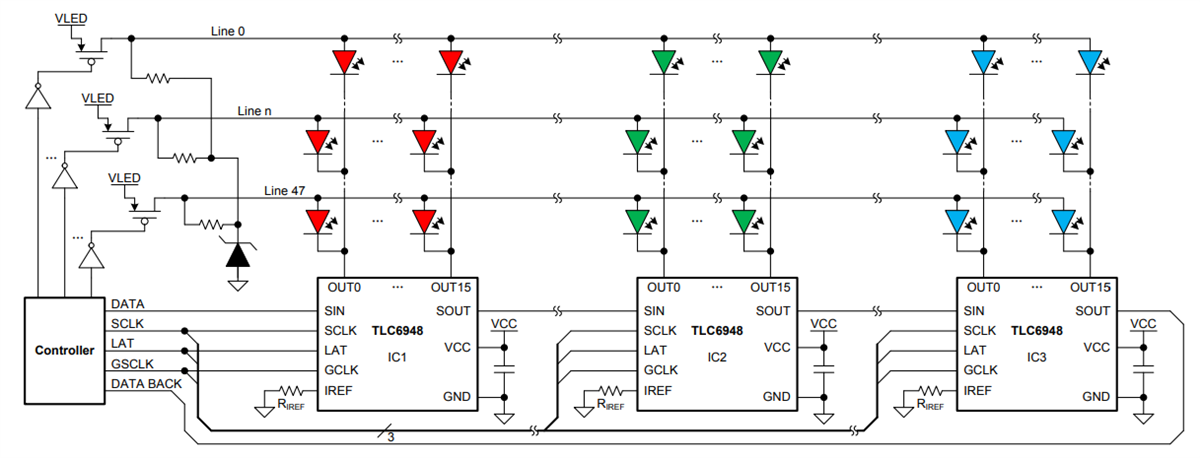
典型应用原理图48多路复用
发布日期: 2019-02-20
| 更新日期: 2023-07-19

