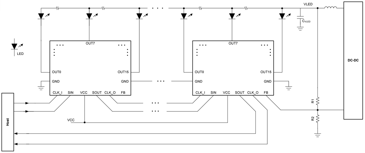
该器件配备了自适应余量电压控制方案,以直接控制直流/直流并优化系统效率。为了简化系统布局,只需将串行链中最后一个器件的FB引脚连接到直流/直流。该器件还集成了超低亮度更新延迟、插黑和VRR特性,以提高显示质量。
Texas Instruments TLC696x1/TLC696x1-Q1有三个错误标志:用于诊断的LED开路检测 (LOD)、LED短路检测 (LSD) 和热关断检测 (TSD)。该器件实现了两个回读选项(包括UART/INT和SOUT/CLK_O),可通过寄存器进行编程。TLC696x1-Q1器件符合AEC-Q100汽车应用标准。
特性
- 工作电压(VCC)范围:3V至5.5V
- 16个高精度恒定电流阱
- 最大输出电流/电压
- 30mA/20V:TLC69601/TLC69601-Q1
- 60mA/20V:TLC69611/TLC69611-Q1
- 30mA/50V:TLC69651/TLC69651-Q1
- 60mA/50V:TLC69661/TLC69661-Q1
- 设备间误差±2%(典型值)
- 通道间误差±2%(典型值)
- 最大输出电流/电压
- 灵活的调光控制
- 全局8位最大电流 (MC) 设置
- 亮度分辨率:高达15位
- PWM/混合控制模式
- 高速菊花链接口
- I/O电压兼容:1.8V/3.3V
- 数据传输速率:高达20MHz
- 系统效率高
- 自适应余量电压控制 (AHVC)
- 超低器件功耗
- ICC ≤ 200uA(待机模式)
- ICC ≤ 3.5mA(正常模式)
- EMI增强
- 可编程接口驱动能力
- 集成四相相移方案
- 显示质量改进
- 超低亮度更新延迟
- 可编程插黑
- 无闪烁的可变刷新率 (VRR)
- 诊断
- 每个区域的LED开路/短路检测
- 器件热关断检测
- 报告界面选项
- UART和中断引脚 (INT)
- 两线制输出: CLK_O和SOUT
应用
- LCD局部调光背光
- 电视
- 监控器
- 笔记本电脑
- 平板电脑
简化示意图
发布日期: 2023-06-06
| 更新日期: 2024-06-21

