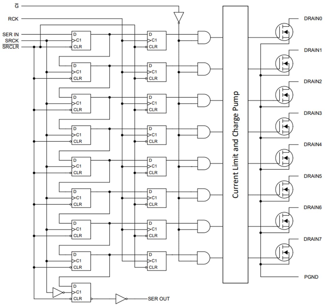
该器件包含一个8位串进并出移位寄存器,向8位D类存储寄存器馈送信号。输出为低侧、开漏DMOS晶体管,额定电压为50V,持续灌电流为350mA。内置负载开路或负载短路诊断机制提供增强的安全保护。该器件提供循环冗余校验,以验证移位寄存器中的值。在回读模式中,该器件提供6位CRC余数。该MCU回读CRC余数并重新检查余数是否正确,以确定MCU和器件之间的通信环路是否良好。
Texas Instruments TLC6A598特性鉴定适用于在−55°C至125°C的环境温度范围内工作。
特性
- 高可靠性和稳健性,适用于航空电子设备应用
- 宽环境工作温度范围:-55ºC至+125ºC
- 宽VCC:3V至5.5V
- 八个功率DMOS晶体管输出通道
- 具有350mA电流能力
- 1.1A限流能力
- 输出钳位电压:50V
- 低Rds(on):1Ω(典型值)
- 耐受能量:90mJ(最大值)
- 保护
- 过流保护
- 开路和短路负载检测
- 串行接口通信错误检测
- 热关断保护
- 增强的多级级联
- 通过单个输入清除所有寄存器
- 循环冗余校验(CRC)
- 低功耗
- 24引脚SOIC DW封装
应用
- 飞行控制系统
- PLC控制和功能指示器
- 仪表组
- 继电器或螺线管驱动器
- 家电显示面板
- LED 指示和照明
功能框图
发布日期: 2022-01-27
| 更新日期: 2022-03-11

