Texas Instruments TLIN1431x-Q1汽车LIN SBC
Texas Instruments TLIN1431x-Q1汽车LIN SBC是一款本地互联网络 (LIN) 系统基础芯片 (SBC),集成了看门狗、高侧开关、跛行回家功能和高度可配置的WAKE输入引脚。TLIN1431x-Q1在上电时自行确定控制方法、引脚或串行外设接口 (SPI)。看门狗默认为适合两种控制方法的窗口看门狗,但为了实现灵活性,在使用SPI控制时,TI TLIN1431x-Q1可配置为具有超过20个不同时间窗口的窗口看门狗或超时看门狗。LIN收发器为终端编程提供200kbps快速模式。为板载LED提供带诊断功能的高侧开关。可灵活配置的WAKE引脚能够与高侧开关配合使用实现循环检测、降低ECU睡眠电流。WKRQ/INH引脚可配置用于数字唤醒输出(WKRQ) 或用于外部电源基于VSUP 是否禁止 (INH) 其使用的使能引脚。特性
- 符合汽车应用类AEC-Q100标准(一级):
- 支持功能安全
- 来辅助功能安全系统设计的文档
- 支持12V应用的增强功能
- ±58V LIN总线故障保护
- 采用12V电源供电时支持125mA电流的3.3V ( TLIN14313-Q1) 或5V ( TLIN14315-Q1) LDO输出
- 开路负载和短路检测由10位PWM或计时器控制的高侧开关
- 可配置为高侧开关的LIMP引脚
- 支持不同输入阈值或方法的可配置WAKE引脚
- 睡眠模式:超低电流消耗支持以下类型的唤醒事件:
- LIN总线
- 通过WAKE引脚实施的本地唤醒
- 循环和静态感测
- 符合本地互连网络 (LIN) 物理层规范LIN 2.2A、ISO 17987–4:2016和SAE J2602:2021要求
- 由引脚或串行外设接口SPI配置的集成看门狗监控器
- 保护特性:
- ESD 保护
- VSUP 和VCC 上欠压保护
- TXD显性超时 (DTO) 保护
- 热关断保护
- 集成电池电压监控器
- 采用无引线QFN (20) 封装,具有改善的自动光学检测 (AOI) 功能
应用
- 车身电子产品和照明
- 混合动力、电动和动力总成系统
- 信息娱乐与仪表板
- 家电
SPI控制简化示意图
引脚控制简化示意图
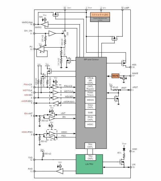
高级框图
发布日期: 2023-01-20
| 更新日期: 2023-03-17
