Texas Instruments TLV170x 微功率比较器
德州仪器 TLV170x 微功率比较器系列器件具有宽幅电源范围、轨到轨输入、低静态电流和低传播延迟等特性。所有这些特性均集成于行业标准的、极小的封装内,使这些器件成为目前市场上最佳的通用比较器。开集输出具有能够将输出拉至任意电压轨(最大可比负电源高 +36V)的优势,且不受 TLV170x 电源电压的影响。这些器件均可提供单通道 (TLV1701)、双通道(TLV1702) 和四通道 (TLV1704) 三种版本。低输入偏移电压、低输入偏置电流、低电源电流和开集配置使得 TLV170x 系列能够灵活处理从简单电压检测到驱动单个继电器的大多数应用。These devices are available in single (TLV1701/TLV1701-Q1), dual (TLV1702/TLV1702-Q1), and quad (TLV1704/TLV1704-Q1) channel versions. Low input offset voltage, low input bias currents, low supply current, and open-collector configuration make the TLV170x/TLV170x-Q1 family flexible enough to handle almost any application, from simple voltage detection to driving a single relay. The Texas Instruments TLV170x-Q1 devices are AEC-Q100 qualified for automotive applications.
特性
- +2.2V to +36V or ±1.1V to ±18V Supply Range
- Low Quiescent Current: 55µA per Comparator
- Input Common-Mode Range Includes Both Rails
- 560ns Low Propagation Delay
- 300µV Low Input Offset Voltage
- Open Collector Outputs
- Up To 36V Above Negative Supply Regardless of Supply Voltage
- Industrial Temperature Range: -40°C to +125°C
- Small Packages
- Single: SC70-5, SOT-23-5, SOT553-5
- Dual: VSSOP-8, X2QFN-8
- Quad: TSSOP-14
应用
- Overvoltage and Undervoltage Detectors
- Window Comparators
- Overcurrent Detectors
- Zero-Crossing Detectors
- System Monitoring for
- Power Supplies
- White Goods
- Industrial Sensors
- Automotive
- Medical
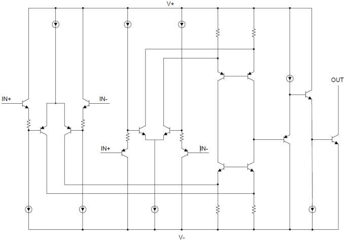
Functional Block Diagram
发布日期: 2014-10-14
| 更新日期: 2025-08-01
