TLV6003兼具低电源电流与低输入偏置电流,因此可与高串联电阻输入源(如PIR运动检测器和一氧化碳传感器)配合使用。该器件具有550µV (25°C) 的较低最大失调电压、120dB的典型CMRR以及2.7V时112dB的最小开环增益,可以保持直流精度。
TLV6003的最大工作电源电压为2.5V至16V,其电气特性指定为2.7V、5V和15V。TLV6003运算放大器的工作电压为2.5V,可与锂离子电池供电系统兼容,是低功耗微控制器(如MSP430)中输入信号增益和缓冲的绝佳选择。
特性
- 微功耗运行:1.2µA(最大值)
- 低输入失调电压:550µV(最大值)
- 反向电池保护高达18V
- 轨到轨输入/输出
- 增益带宽积:5.5kHz
- 5引脚SOT-23小型封装
- 指定温度范围:TA = –40°C至+125°C
- 工作温度范围:TA = –55°C至+125°C
- –0.1V至VCC + 5V输入共模范围超出电源轨
- 电源电压范围:2.5V至16V
应用
- 流量变送器
- 压力变送器
- 运动检测器(PIR、uWave等)
- 血糖监测仪
- 气体检测器
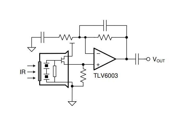
PIR运动检测器缓冲器
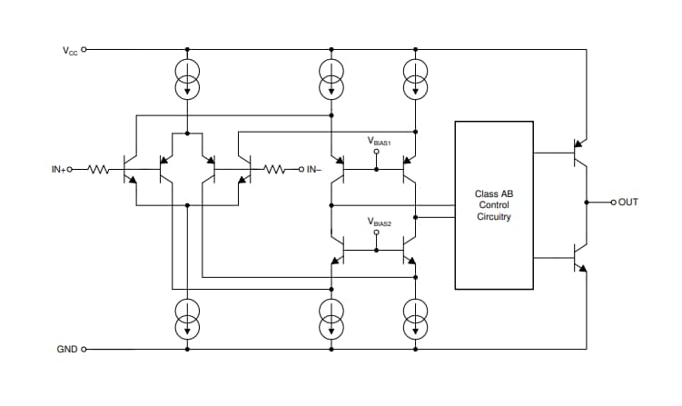
功能框图
发布日期: 2019-11-26
| 更新日期: 2024-02-08

