Texas Instruments TLV61047非同步升压转换器
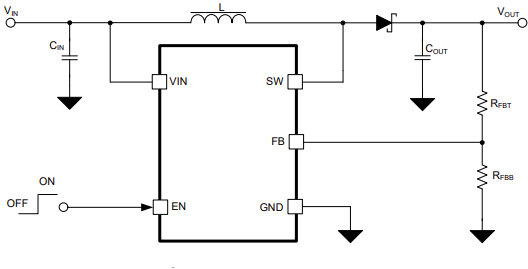
Texas Instruments TLV61047非同步升压转换器是一款集成了200mΩ低侧电源开关、简单易用、小尺寸电源解决方案的高压转换器。该转换器具有2.6V至20V输入电压范围、4.5V至28V输出电压范围、200mΩ集成低侧FET以及1.6MHz开关频率。TLV61047升压转换器采用自适应恒定关断时间峰值电流控制拓扑来调节输出电压。该转换器支持脉宽调制(PWM)模式,直到在重负载至轻负载条件下触发Ton最小或最小峰值电流(典型值为20mA)。该器件支持脉冲频率调制(PFM)模式,可在超轻负载条件下提高效率和纹波性能。典型应用包括LED电源、数码相机、GPS设备、手机、OLED面板电源和USB供电设备。TLV61047升压转换器具有25µA(典型值)的静态电流,并内置2.5ms软启动功能,可最大限度地减小启动期间的浪涌电流。该转换器具有内部补偿、逐周期限流和热关断保护等特性。TLV61047升压转换器采用SOT-23-5 DDC封装。
特性
- 输入电压范围:2.6 V至20 V
- 输出电压范围:4.5 V至28 V
- 200mΩ集成式低侧FET
- 高效率:
- VIN = 5V至VOUT = 12V,IOUT = 0.2A时效率高达91.2%
- VIN = 12V至VOUT = 28V,IOUT = 0.3A时效率高达91.7%
- 峰值开关电流限制:2.2A
- 开关频率:1.6MHz
- 参考电压精度:±2.0%
- 典型静态电流:25 µA
- 典型关断电流:0.4 µA
- 超轻负载或TON 最小触发时的PFM工作模式
- 内部补偿
- 内部2.5ms软启动时间
- 逐周期限流
- 热关断保护
- SOT-23-5 DDC封装
应用
- LED电源
- 数码照相机
- GPS设备
- 移动电话
- OLED面板电源
- USB供电设备
典型应用电路
功能框图
发布日期: 2025-01-23
| 更新日期: 2025-03-20
