TMDS1204是一款混合转接驱动器,同时支持接收端和源端应用。一款可以工作在限幅或线性转接驱动器功能的混合转接驱动器。当TMDS1204被配置为限幅转接驱动器时,差分输出电压电平独立于图形处理单元 (GPU) 输出电平,确保插座级电平HDMI兼容。限幅转接驱动器模式推荐用于HDMI源端应用。当TMDS1204被配置为线性转接驱动器时,差分输出电平是GPU输出电平的线性函数。该功能使TMDS1204能够对链路训练呈现透明,并作为通道缩短器工作。线性转接驱动器模式建议用于HDMI接收端应用。
Texas Instruments TMDS1204具有集成HPD电平转换器。HPD电平转换器将5V HPD信号转换为1.8V或3.3V。电平转换器输出还可以被配置为挽、推或开漏输出。集成电平转换器消除了对分立式解决方案的需求,节省了系统成本。TMDS1204在VCC 上支持3.3V单电源轨。提供有商业级温度 (TMDS1204) 和工业级温度 (TMDS1204I) 供选择。
特性
- 交流耦合或直流耦合输入和输出,支持高达12Gbps的HDMI 2.1数据速率
- 向后兼容HDMI 1.4b和HDMI 2.0b
- 3、6、8、10和12Gbps的HDMI 2.1固定速率链路 (FRL)
- 支持HDMI 2.1三通道和四通道FRL
- 优化用于HDMI接收端应用
- 6GHz时高达12dB的自适应和固定均衡器
- I2C或引脚搭接可编程
- 集成HPD电平转换器,均支持1.8V和3.3V LVCMOS电平
- 主通道上全通道交换
- 集成扇出缓冲器用于需要单独时钟和数据路径的应用
- 一个信号检测输出指示器
- 用于链路配置的数字显示控制 (DDC) 监听功能
- 低功耗
- 12G FRL四通道有源限制:575mW
- 12G FRL四通道有源线性:220mW
- 掉电:0.6mW
- 提供有商业级和工业级温度
- 3.3V单电源
- 40针、0.4mm间距4mm × 6mm WQFN封装
应用
- 笔记本电脑和台式电脑
- 电视
- 家庭影院和娱乐系统
- 游戏系统
- 扩展坞
- 专业音频、视频和标牌
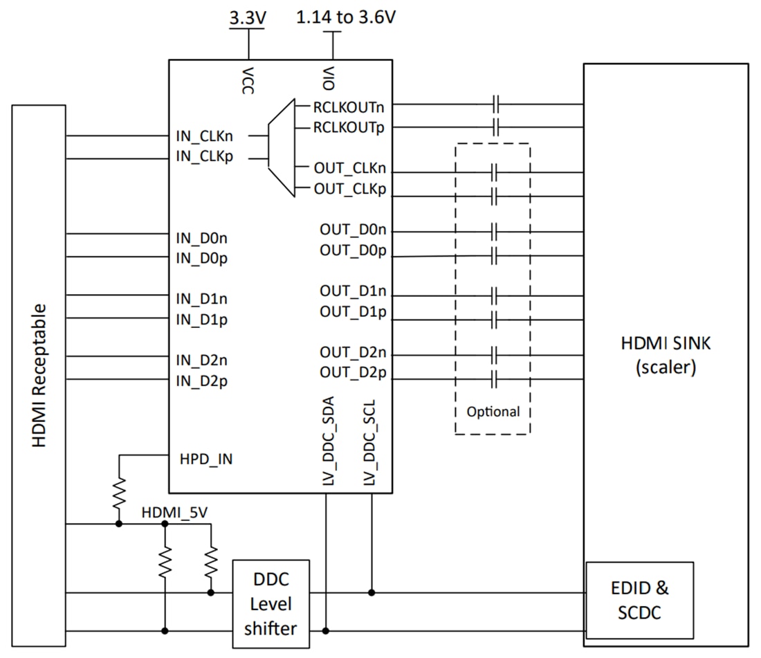
简化原理图
发布日期: 2022-10-11
| 更新日期: 2023-04-13

