Texas Instruments TMP1826数字温度传感器
Texas Instruments TMP1826数字温度传感器是一款1-Wire®兼容传感器,集成了2Kb EEPROM,可在-55°C至+150°C宽工作温度范围内工作。该温度传感器在-20°C至85°C温度范围内具有±0.1°C(典型值)/±0.3°C(最大值)高精度。TMP1826传感器的特性包括过载模式下的90kbps快速数据速率的和灵活的用户可编程短地址模式,用于更快的器件寻址。该传感器还具有四个可配置的开漏数字输入输出和温度警报。应用包括工厂自动化和控制设备、医疗附件、CPAP机器、电池组、LED照明、冷链、温度变送器和电动汽车充电基础设施。特性
- 1-Wire®接口,具有多点共享总线和CRC
- 总线供电,工作电压范围为1.7V至5.5V
- IEC 61000-4-2 ESD(8kV接触放电)
- 支持功能安全:
- 开发用于功能安全应用
- 来辅助功能安全系统设计的文档
- 高精度数字温度传感器 (DGK):
- –20°C至+85°C范围内为±0.1°C(典型值)/±0.3°C(最大值)
- –55°C至+150°C范围内为±0.3°C(典型值)/±0.5°C(最大值)
- 高精度数字温度传感器 (NGR):
- –20°C至+85°C范围内为±0.1°C(典型值)/±0.3°C(最大值)
- –20°C至+85°C范围内为±0.1°C(典型值)/±0.3°C(最大值)
- –55°C至+125°C范围内为±0.3°C(典型值)/±0.5°C(最大值)
- 94µA温度测量和1.3µA关断电流
- 16位温度分辨率:7.8125m°C (1LSB)
- 超速速度下的快速数据速率为90kbps
- 灵活的用户可编程短地址模式,用于更快的器件寻址
- 2Kb EEPROM功能:
- 64位块大小的写操作
- 连续读取模式
- 带写保护的读取,页面大小为256位
- 读取/写入电流为95µA/178µA
- 用于器件寻址的NIST可追溯出厂编程不可擦除64位标识号
- 四个可配置的开漏数字输入输出和温度警报
应用
- 工厂自动化和控制
- 家电
- 医疗配件
- 呼吸正压机
- 电池组
- LED照明
- 冷链
- 温度变送器
- 电动汽车充电基础设施
框图
简化示意图
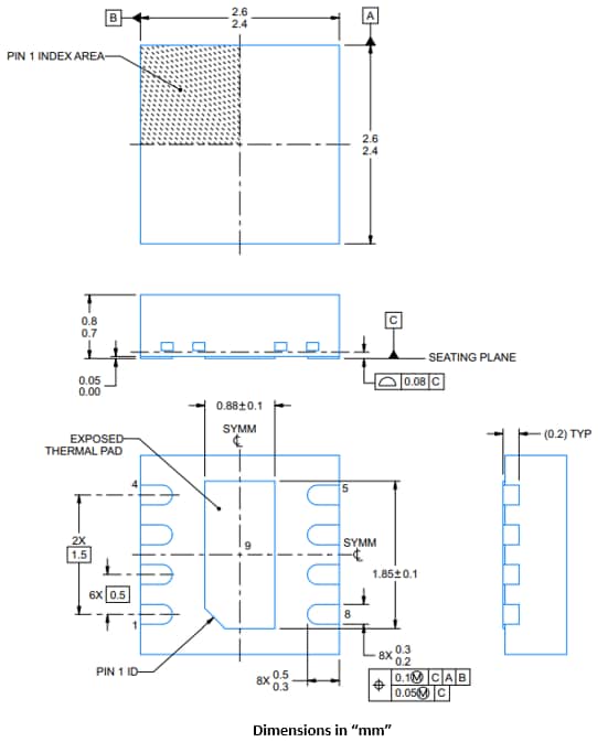
机械图纸
发布日期: 2023-01-27
| 更新日期: 2023-10-30
