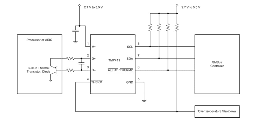
Texas Instruments TMP411远程和本地温度传感器
Texas Instruments TMP411远程和本地温度传感器是带有内置本地温度传感器的远程温度传感监控器。远程温度传感器和二极管连接的晶体管通常是低成本、NPN或PNP型晶体管或二极管,它们是微控制器、微处理器或FPGA的组成部分。对于多家器件制造商,远程精度为±1°C,无需校准。此双线式串行接口可接受SMBus读、写、发送和接收字节命令,以编程报警阀值并读取温度数据。
特性
- ±1°C远端二极管传感器
- ±1°C本地温度传感器
- 可编程的非理想性因数
- 串联电阻抵消
- 警报功能
- 偏移寄存器,用于系统校准
- 引脚和寄存器兼容ADT7461和ADM1032
- 可编程分辨率:9位至12位
- 可编程阀限
- 双线和SMBus串行接口
- 最低和最高温度监测器
- 多个接口地址
- ALERT和THERM2引脚配置
- 二极管故障检测
应用
- LCD、DLP、LCOS投影仪
- 服务器
- 工业控制器
- 中控室电信设备
- 台式电脑和笔记本电脑
- 存储区域网(SAN)
- 工业和医疗设备
- 处理器和 FPGA 温度监控
Related Products
作为芯片组的一部分,它可以实现高分辨率、高性能头灯系统。
数控MEMS空间照明调制器 (SLM),可实现高亮度1080p显示系统。
Evaluation Module
配置用于评估TMP411 ±1°C精度远程温度传感器监测器的运行情况。
发布日期: 2017-07-31
| 更新日期: 2026-01-14