Texas Instruments TMP464远程和本地温度传感器
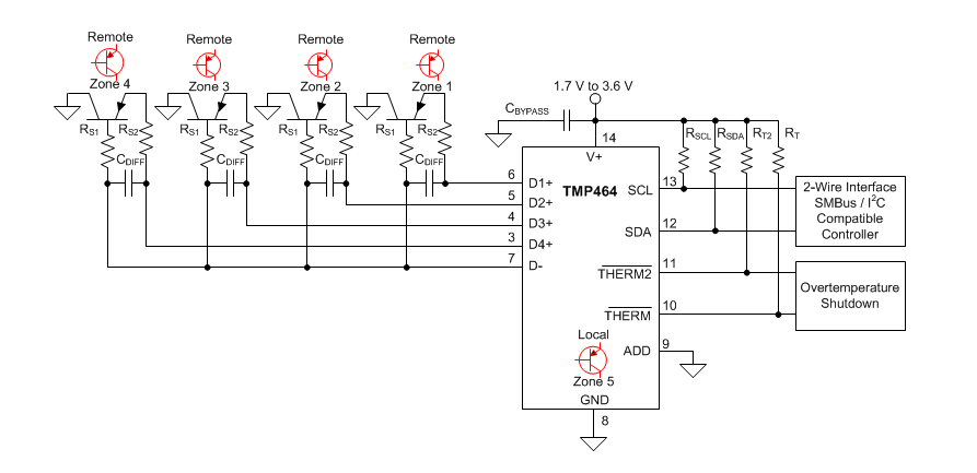
Texas Instruments TMP464远程和本地温度传感器是采用双线制SMBus或I2C兼容接口的高精度、低功耗温度传感器。不但能监测本地温度,还可同时监测多达四个远程二极管连接的温度区域。在整个系统中聚集温度测量值不但可以提高性能,还能降低电路板的复杂性。典型用例是监测复杂系统(如服务器和电信设备)中不同处理器(如MCU、GPU和FPGA)的温度。TMP464器件可提供高测量精度 (0.75°C) 和测量分辨率 (0.0625°C) 。该器件支持低电压轨(1.7V至3.6V)和通用双线制接口,采用高空间利用率的小型封装 (3mm×3mm),可在计算系统中轻松集成。特性
- 4通道远程二极管温度传感器
- 本地和远程精度: ±0.75°C (最大值)
- 温度分辨率:0.0625°C
- 供电和逻辑电压范围:1.7V至3.6V
- 43μA工作电流(1 SPS,所有通道均有效)
- 0.3µA关断电流
- 远程二极管:串联电阻抵消,
- η-因数校正、偏移校正以及二极管故障检测
- 寄存器锁定功能可保护密钥寄存器
- I2C或SMBus™兼容两线制接口,带引脚可编程地址
- 16引脚VQFN封装
应用
- MCU、GPU、ASIC、FPGA、DSP和CPU温度监测
- 电信设备
- 服务器和个人电脑
- 云以太网交换机
- 安全数据中心
- 高度集成的医疗系统
- 精密仪器和测试设备
- LED照明温度控制
TMP464功能图
Additional Resources
发布日期: 2017-10-18
| 更新日期: 2023-10-27
