特性
- 电源范围:2.3V至5.5V
- 断电保护:VCC=0V时,I/O引脚处于高阻抗状态
- 过压和过热监测
- 公共引脚上具有0V至18V过压保护 (OVP)
- 支持超出VCC高达5.5V的信号
- 低RON:6Ω
- 典型带宽:1.2GHz
- CON典型值为4.5pF
- 低功耗禁用模式
- 1.8V兼容型逻辑输入
- ESD保护性能超出JESD22标准
- 2000V人体模型 (HBM)
- 采用小型2.00mmx1.70mm QFN封装
应用
- 数据采集 (DAQ)
- 现场仪表
- 视频监控
- 暖通空调系统
- 后置摄像头
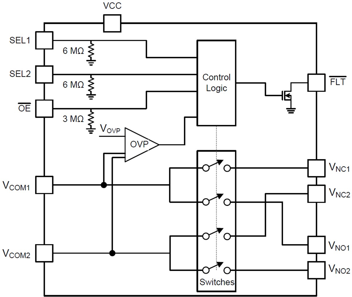
功能框图
发布日期: 2018-08-29
| 更新日期: 2023-04-25

