Texas Instruments TPA3220 50W立体声/100W峰值D类放大器
Texas Instruments TPA3220 50W立体声/100W峰值HD模拟输入D类放大器可在全功率、空闲和待机状态下实现高效运行。具有高达100kHz带宽的闭环反馈,从而在音频频带内提供低失真并提供出色的质量。该器件以AD或低空闲电流HEAD(高效AD)调制运行。这可为4Ω负载提供2 x 60W的连续功率或2 x 110W的峰值功率(底部的散热垫连接到PCB)。通过单端或差分模拟输入接口实现多个输入,可选增益包括18dB、24dB、30dB和34dB,从而简化前置放大器设计。使用70mΩ MOSFET,经过优化的栅极驱动方案和低功耗工作模式,TPA3220可实现90%的效率,低空闲功率(0.25W) 和超低待机功率 (0.1W)。该器件集成了重要保护功能,包括欠压、逐周期电流限制、短路、限幅检测、过热警告和关断以及直流扬声器保护,进一步简化设计。特性
- 立体声 (2 x BTL) 和单声道 (1 x PBTL) 运行
- 10% THD+N下的输出功率
- 8Ω负载的BTL配置下立体声连续功率为60W
- 4Ω负载的BTL配置下立体声峰值功率为110W
- 10% THD+N下的输出功率
- 1% THD+N下的输出功率
- 8Ω负载的BTL配置下立体声连续功率为50W
- 4Ω负载的BTL配置下立体声峰值功率为89W
- 设有5V栅极驱动器或内置LDO,用于可选的单电源运行
- 闭环反馈设计
- 信号带宽高达100KHZ,用于HD源的高频内容
- 在4Ω负载、1W功率下具有0.02% THD+N
- 60dB PSRR(BTL,无输入信号)
- <72µV输出噪声(A加权)
- >108dB SNR(A加权)
- AD或HEAD调制方案
- 低功耗工作模式
- 待机模式:静音和
- 低空闲电流HEAD调制方案
- 单通道BTL操作
- 多种输入选项,可简化前置放大器设计
- 差分或单端模拟输入
- 可选增益:18dB、24dB、30dB、34dB
- 集成保护功能:欠压、逐周期电流限制、短路、限幅检测、过热警告和关断以及直流扬声器保护
- 90%高效D类音效工作 (4Ω)
- 散热垫位于封装的底部
- 具有各种电压和功率级选项的引脚兼容系列器件
应用
- 蓝牙和Wi-Fi™扬声器
- 条形音箱
- 低音炮
- 书架立体声音响系统
- 专业和公共广播 (PA) 扬声器
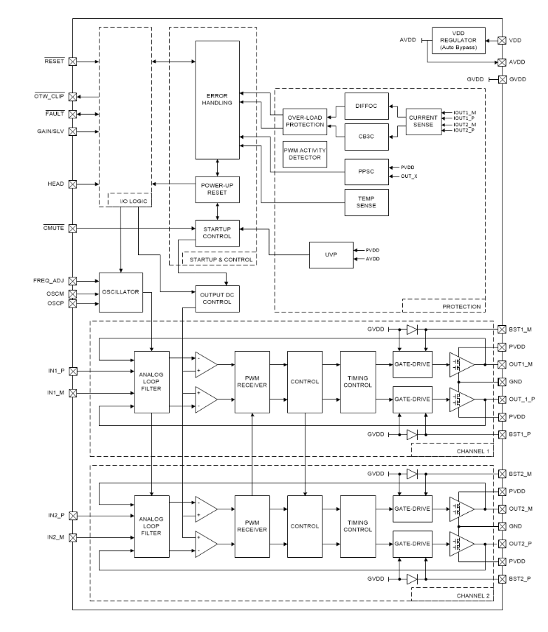
框图
发布日期: 2018-08-08
| 更新日期: 2023-02-06
